| Начало раздела Производственные, любительские Радиолюбительские Авиамодельные, ракетомодельные Полезные, занимательные | Хитрости мастеру Электроника Физика Технологии Изобретения | Тайны космоса Тайны Земли Тайны Океана Хитрости Карта раздела | |
| Использование материалов сайта разрешается при условии ссылки (для сайтов - гиперссылки) | |||
Навигация: => | На главную/ Каталог патентов/ В раздел каталога/ Назад / |
|
ИЗОБРЕТЕНИЕ
Патент Российской Федерации RU2265776
![]()
СИСТЕМА ТЕПЛОСНАБЖЕНИЯ ЗДАНИЯ
Имя изобретателя: Шарапов В.И. (RU); Шепелев И.Н. (RU)
Имя патентообладателя: Государственное образовательное учреждение высшего профессионального образования "Ульяновский государственный технический университет" (RU)
Адрес для переписки: 432027, г.Ульяновск, ул. Северный Венец, 32, ГОУ ВПО "Ульяновский государственный технический университет", проректору по научной работе
Дата начала действия патента: 2004.06.15
Изобретение относится к области теплоэнергетики и может быть использовано в системах теплоснабжения зданий. Технический результат: повышение экономичности отопления и горячего водоснабжения путем снижения расхода теплоносителя для удовлетворения потребностей абонента и использования теплоты использованной горячей воды, что позволяет уменьшить диаметр тепловой сети, снизить начальные затраты на ее сооружение, удешевить транспорт и распределение теплоты. Система теплоснабжения здания содержит отопительные приборы и установку горячего водоснабжения, которые подключены к подающему и обратному трубопроводам, и трубопровод слива использованной горячей воды, причем в трубопровод слива использованной горячей воды включен испаритель теплового насоса, а в перемычку между обратным и подающим трубопроводами включены насос и конденсатор теплового насоса.
ОПИСАНИЕ ИЗОБРЕТЕНИЯ
Изобретение относится к области теплоэнергетики и может быть использовано в системах теплоснабжения зданий.
Известны аналоги - системы теплоснабжения здания, содержащие отопительные приборы и установку горячего водоснабжения, которые подключены к подающему и обратному трубопроводам, и трубопровод слива использованной горячей воды (см. книгу Е.Я.Соколова. Теплофикация и тепловые сети. - М. МЭИ, 2001, рис.3.6 (ж-м), описание к нему на с.87-93 и рис.3.10 (б, ж-м), описание к нему на с.100-103).
Этот аналог принят в качестве прототипа.
Недостатком аналогов и прототипа является пониженная экономичность из-за большого расхода теплоносителя для удовлетворения потребностей абонента. Расчетный расход теплоносителя на горячее водоснабжение определяется по максимальному значению этой нагрузки. Поэтому суммарный расход теплоносителя на отопление и горячее водоснабжение получается завышенным. Это вызывает увеличение диаметров тепловых сетей и рост начальных затрат на их сооружение, а и увеличение расхода электрической энергии на перекачку теплоносителя.
Техническим результатом, достигаемым настоящим изобретением, является повышение экономичности отопления и горячего водоснабжения путем снижения расхода теплоносителя для удовлетворения потребностей абонента и использования теплоты использованной горячей воды, что позволяет уменьшить диаметр тепловой сети, снизить начальные затраты на ее сооружение, удешевить транспорт и распределение теплоты.
Для достижения этого результата предложена система теплоснабжения здания, содержащая отопительные приборы и установку горячего водоснабжения, которые подключены к подающему и обратному трубопроводам, и трубопровод слива использованной горячей воды.
Отличием заявленной системы теплоснабжения здания является то, что в трубопровод слива использованной горячей воды включен испаритель теплового насоса, а в перемычку между обратным и подающим трубопроводами включены насос и конденсатор теплового насоса.
Отличительные признаки, характеризующие систему теплоснабжения здания, позволяют снизить расход теплоносителя для удовлетворения потребностей абонента, уменьшить диаметр тепловой сети, снизить начальные затраты на ее сооружение, удешевить транспорт и распределение теплоты, тем самым повысить экономичность отопления и горячего водоснабжения здания.
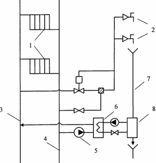
На чертеже изображена схема системы теплоснабжения здания.
![]() | Система теплоснабжения здания содержит отопительные приборы 1 и водоразборные приборы 2, которые подключены к подающему 3 и обратному 4 трубопроводам. В перемычку между обратным 4 и подающим 3 трубопроводами включены насос 5 и конденсатор 6 теплового насоса, а в трубопровод слива использованной горячей воды 7 включен испаритель 8 теплового насоса. Система теплоснабжения здания работает следующим образом. Сетевую воду подают в отопительный прибор 1 по подающему трубопроводу 3. На водоразборные приборы 2 горячую воду подают из подающего 3 и обратного 4 трубопроводов. Использованную горячую воду направляют в испаритель 8 теплового насоса по трубопроводу слива горячей воды 7. Из обратного трубопровода 4 обратную сетевую воду после отопительных приборов 1 насосом 5 подают в конденсатор 6 теплового насоса, в котором нагревают, после чего подают нагретую обратную сетевую воду в подающий трубопровод 3. Охлажденную использованную горячую воду после испарителя 8 сливают в канализацию. |
ФОРМУЛА ИЗОБРЕТЕНИЯ
Система теплоснабжения здания, содержащая отопительные приборы и установку горячего водоснабжения, которые подключены к подающему и обратному трубопроводам, и трубопровод слива использованной горячей воды, отличающаяся тем, что в трубопровод слива использованной горячей воды включен испаритель теплового насоса, а в перемычку между обратным и подающим трубопроводами включены насос и конденсатор теплового насоса.
Версия для печати
Дата публикации 29.01.2007гг
Created/Updated: 25.05.2018
|

