| Начало раздела Производственные, любительские Радиолюбительские Авиамодельные, ракетомодельные Полезные, занимательные | Хитрости мастеру Электроника Физика Технологии Изобретения | Тайны космоса Тайны Земли Тайны Океана Хитрости Карта раздела | |
| Использование материалов сайта разрешается при условии ссылки (для сайтов - гиперссылки) | |||
Навигация: => | На главную/ Каталог патентов/ В раздел каталога/ Назад / |
|
ИЗОБРЕТЕНИЕ
Патент Российской Федерации RU2283530
![]()
ПРЕОБРАЗОВАТЕЛЬ ПОСТОЯННОГО НАПРЯЖЕНИЯ
Имя изобретателя: Прасолин Алексей Прокопович (RU); Темирев Алексей Петрович (RU); Никифоров Борис Владимирович (RU); Лозицкий Олег Евгеньевич (RU); Павлюков Валерий Михайлович (RU); Федоров Андрей Евгеньевич
Имя патентообладателя: Федеральное государственное унитарное предприятие "Центральное конструкторское бюро морской техники "РУБИН" (RU); Федеральное государственное унитарное предприятие "Производственно-конструкторское предприятие "ИРИС"
Адрес для переписки: 346410, Ростовская обл., г. Новочеркасск, ул. Дубовского, 15, п/о 10, а/я 23, Филиал ФГУП "ПКП "ИРИС", главному конструктору-директору А.П. Темиреву
Дата начала действия патента: 2005.08.09
Использование: в электрических схемах источников питания постоянным током повышенной мощности с гальванической развязкой цепей. Сущность изобретения: для достижения технического результата - уменьшения габаритов и стоимости преобразователя и снижения высокочастотных помех в преобразователе, содержащем трансформатор, присоединенный к сети через инвертор, между выпрямителем и фильтром нагрузки включена параллельная демпфирующая цепь, состоящая из последовательно включенных диода и конденсатора, параллельно нагрузке и включена цепь из дросселя и согласно включенного диода, а к средним точкам параллельных цепей подсоединен управляемый ключ. Напряжение высокочастотных колебаний накапливается в конденсаторе при закрытом управляемом ключе, а при открытом ключе отдается в нагрузку через дроссель и с диодов выпрямителя снимаются высокочастотные колебания напряжения.
ОПИСАНИЕ ИЗОБРЕТЕНИЯ
Изобретение относится к электрорадиотехнике, в частности к высокочастотным преобразователям постоянного напряжения повышенной мощности с гальванической развязкой цепей, и может быть использовано в электрических схемах различных источников питания постоянным током.
Известен преобразователь постоянного напряжения, содержащий трансформатор, первичная обмотка которого подключена к сети через управляемые полупроводниковые ключи, преобразующие постоянное напряжение в переменное, а к вторичной обмотке трансформатора подключена нагрузка через выпрямительные диоды и сглаживающий фильтр (Источники электропитания РЭА. Справочник под ред. Г.С.Найвельта. М.: Радио и связь. 1986, стр.360-368).
Работа известных преобразователей с высокой частотой коммутации ключей сопровождается резким изменением обратных токов выпрямительных диодов, которые, проходя через паразитные индуктивности рассеяния трансформатора и емкости, вызывают высокочастотные колебания на фронтах импульсов выходного напряжения, создавая перенапряжения на ключах и высокочастотные помехи по цепям питания. Поэтому в качестве сглаживающего фильтра после выпрямителя применяется емкостной фильтр.
Недостатком преобразователей с емкостным фильтром является большая амплитуда тока выпрямительных диодов, увеличенные габариты трансформатора, большая зависимость выпрямленного напряжения от тока нагрузки.
Наиболее близким по технической сущности к заявляемому решению является преобразователь постоянного напряжения, содержащий трансформатор, первичная обмотка которого присоединена к сети через управляемые полупроводниковые ключи, включенные по мостовой или полумостовой схеме, а вторичная обмотка подключена к нагрузке через полупроводниковый выпрямитель и сглаживающий индуктивно-емкостной фильтр (Р.Северне, Г.Блум. Импульсные преобразователи постоянного напряжения для систем вторичного электропитания; Пер. с англ. Под ред. Л.Е.Смольникова. - М.: Энергоатомиздат, 1988, стр.73-76).
Индуктивно-емкостной фильтр ограничивает амплитуду тока выпрямителя, позволяет уменьшить габариты трансформатора и зависимость выходного напряжения от тока нагрузки.
Недостатком преобразователей с индуктивно-емкостным фильтром является повышенная установленная мощность и габариты диодов и высокочастотные помехи в цепи источника питания из-за перенапряжений на диодах, вызванных высокочастотными колебаниями на фронтах импульсов напряжения, обусловленных высокочастотной коммутацией инвертирующих ключей и резким изменением обратных токов диодов, проходящих через паразитные индуктивности и емкости цепи - трансформатор-выпрямитель. Высокочастотные колебания напряжения на диодах создают значительные помехи в цепях питания.
Задачей настоящего изобретения является уменьшение габаритов и стоимости преобразователя постоянного напряжения и уменьшение высокочастотных помех за счет снижения перенапряжений на выпрямительных диодах преобразователя.
Поставленная задача решается тем, что в известном преобразователе постоянного напряжения, содержащем трансформатор, первичная обмотка которого присоединена к сети через управляемые ключи, собранные по мостовой или полумостовой схеме, а вторичная обмотка подключена к нагрузке через полупроводниковый выпрямитель и сглаживающий индуктивно-емкостной фильтр, между выпрямителем и фильтром включена параллельная демпфирующая цепь, состоящая из последовательно соединенных конденсатора и диода, между индуктивностью и емкостью фильтра параллельно нагрузке включена цепь из дросселя и диода, причем диод подключен согласно с направлением тока дросселя, а к средним точкам параллельных цепей подсоединен управляемый ключ.
Сущность изобретения состоит в том, что применение в известном преобразователе демпфирующей цепи, включенной параллельно между выпрямителем и фильтром и состоящей из конденсатора, диода, управляемого ключа и дросселя, позволило уменьшить габариты и стоимость преобразователя за счет снижения установленной мощности выпрямительных диодов, на которых уменьшены перенапряжения, обусловленные высокочастотной коммутацией инвертирующих ключей и резким изменением обратных токов диодов, проходящих через паразитные емкости и индуктивности трансформаторно-выпрямительной цепи и вызывающих высокочастотные колебания на вершине импульсов выпрямленного напряжения. и уменьшены высокочастотные помехи предлагаемого преобразователя за счет устранения высокочастотных колебаний напряжения выпрямителя. Поскольку энергия, накопленная в демпфирующей цепи, после фильтрации не выделяется в виде потерь, а отдается нагрузке, сохраняется высокий КПД преобразователя. Применение в демпфирующей цепи отдельного дросселя, установленного параллельно фильтровой индуктивности, позволяет применять заявленное устройство в преобразователях повышенной мощности. Положительный эффект предлагаемого преобразователя подтвержден стендовыми испытаниями изготовленного опытного образца мощностью 50 кВт.
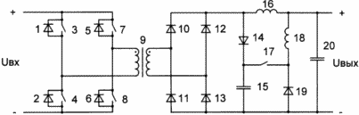
![]() | На чертеже изображена принципиальная схема предложенного преобразователя, где обозначено: 1-8 - силовые транзисторные модули; 9 - трансформатор; 10-13 - диоды выпрямителя; 14 - диод демпфирующей цепи; 15 - конденсатор демпфирующей цепи; 16 - фильтровая индуктивность; 17 - транзистор демпфирующей цепи; 18 - дроссель демпфирующей цепи; 19 - диод; 20 - фильтровая емкость. |
ПРЕОБРАЗОВАТЕЛЬ РАБОТАЕТ СЛЕДУЮЩИМ ОБРАЗОМ
Постоянное напряжение Uвх подается на первичную обмотку трансформатора 9 через мостовую схему, в которой пара ключей 3, 8 работает в противофазе по отношению к другой паре ключей 4, 7 и преобразуется в переменное напряжение. На вторичной обмотке трансформатора 9 напряжение выпрямляется мостом 10-13 и поступает через фильтр, образованный индуктивностью 16 и емкостью 20, на нагрузку Uвых. Напряжение высокочастотных колебаний на вершине импульсов выпрямленного напряжения через диод 14 накапливается на конденсаторе 15. Транзистор 17 включают на время паузы между выключением пары транзисторов 3, 8 и включением другой пары - 4, 7. Транзистором 17 и можно управлять по законам широтно-импульсной модуляции, частотно-импульсной модуляции, поддерживая на конденсаторе 15 постоянный уровень напряжения. В моменты открытого состояния транзистора 17 конденсатор 15 отдает накопленную энергию через дроссель 18 в нагрузку. Дроссель 18 рассчитывается на небольшую мощность для демпфирующих токов. Диод 19 предназначен для замыкания тока дросселя 18 на время выключения транзистора 17. На диодах 10-13 снимаются перенапряжения, устраняются высокочастотные колебания напряжения и снижаются помехи в цепях преобразователя.
В результате защиты, таким образом, диодов от перенапряжений, они выбираются с более низким максимальным напряжением, т.е. с меньшей установленной мощностью и с меньшими габаритами. Потери электроэнергии в демпфирующей цепи практически не увеличивают общие потери в преобразователе, поэтому КПД преобразователя сохраняется высоким. Эффективность демпфирования перенапряжений на диодах не зависит от мощности преобразователя и позволяет применять заявленное устройство для преобразователей большой мощности.
На основании вышеизложенного и по результатам проведенного патентно-информационного поиска считаем, что предлагаемый преобразователь постоянного напряжения отвечает критериям «Новизна», «Изобретательский уровень», «Промышленная применимость» и может быть защищен патентом Российской Федерации.
ФОРМУЛА ИЗОБРЕТЕНИЯ
Преобразователь постоянного напряжения, содержащий трансформатор, первичная обмотка которого присоединена к сети через управляемые ключи, собранные по мостовой или полумостовой схеме, а вторичная обмотка подключена к нагрузке через полупроводниковый выпрямитель и сглаживающий индуктивно-емкостной фильтр, отличающийся тем, что между выпрямителем и фильтром включена параллельная демпфирующая цепь, состоящая из последовательно соединенных конденсатора и диода, между индуктивностью и емкостью фильтра параллельно нагрузке включена цепь из дросселя и диода, причем диод подключен согласно с направлением тока дросселя, а к средним точкам параллельных цепей подсоединен управляемый ключ.
Версия для печати
Дата публикации 17.02.2007гг
Created/Updated: 25.05.2018
|

