| Начало раздела Производственные, любительские Радиолюбительские Авиамодельные, ракетомодельные Полезные, занимательные | Хитрости мастеру Электроника Физика Технологии Изобретения | Тайны космоса Тайны Земли Тайны Океана Хитрости Карта раздела | |
| Использование материалов сайта разрешается при условии ссылки (для сайтов - гиперссылки) | |||
Навигация: => | На главную/ Каталог патентов/ В раздел каталога/ Назад / |
|
ИЗОБРЕТЕНИЕ
Патент Российской Федерации RU2292627
![]()
ИСТОЧНИК ВТОРИЧНОГО ЭЛЕКТРОПИТАНИЯ
С КОМПЕНСАЦИЕЙ ИСКАЖЕНИЙ В ПИТАЮЩЕЙ СЕТИ
Имя изобретателя: Терешков Владимир Васильевич (RU); Корчагин Александр Владимирович (RU); Аванесов Владимир Михайлович
Имя патентообладателя: Государственное образовательное учреждение высшего профессионального образования "Таганрогский государственный радиотехнический университет" (ТРТУ)
Адрес для переписки: 347928, Ростовская обл., г. Таганрог, ГСП-17А, Некрасовский, 44, ТРТУ
Дата начала действия патента: 2005.06.30
Изобретение относится к электротехнике и может быть использовано при построении источников вторичного электропитания, работающих в сетях питающего переменного напряжения при мощностях нагрузки, соизмеримых с мощностью питающего силового трансформатора, или автономных системах электроснабжения ограниченной мощности. Цель изобретения - расширение функциональных возможностей устройства: компенсация неактивной (реактивной мощности и мощности искажений) составляющей полной мощности в однофазной сети переменного тока ограниченной мощности, улучшение качества питающего напряжения, снижение потери мощности и напряжения в питающей сети. Поставленная цель достигается тем, что в источник вторичного электропитания с компенсацией искажений в питающей сети введен адаптивный регулятор, который осуществляет изменение формы входного сигнала для системы управления таким образом, что инжектируемые в питающую сеть гармонические составляющие потребляемого тока минимизируют искажения формы кривой питающего напряжения в точке подключения заявляемого устройства.
ОПИСАНИЕ ИЗОБРЕТЕНИЯ
Предполагаемое изобретение относится к электротехнике и может быть использовано при построении источников вторичного электропитания, работающих в сетях питающего переменного напряжения при мощностях нагрузки, соизмеримых с мощностью питающего силового трансформатора, или автономных системах электроснабжения ограниченной мощности.
Известно устройство "Источник стабилизированного напряжения с низкочастотной коррекцией коэффициента мощности" [патент РФ 2187879, МПК7 Н 02 М 7/12, опубликован 20.08.2002].
![]() | Устройство содержит (фиг.1) источник синусоидального напряжения; последовательно соединенные выпрямитель V и дроссель L, включенные между источником синусоидального напряжения и выходным емкостным фильтром С с нагрузкой Rн; схему ключа СК, подсоединенную параллельно входу выпрямителя, обеспечивающую накопление энергии в индуктивности дросселя и развязку с емкостным фильтром во время открытого состояния ключа; схему управления СУ ключом, соединенную с входом и выходом источника стабилизированного напряжения и регулирующую момент включения и длительность открытого состояния ключа в первой половине каждого полупериода питающего напряжения; подсоединенные к схеме управления ключом источник стабильного постоянного опорного напряжения Uопор и датчик тока Дт, включенный между выходом выпрямителя и нагрузкой, причем один из силовых выводов ключа объединен с выводом датчика тока, соединенным с выводом нагрузки. Технический результат заключается в придании источнику функции стабилизации выходного напряжения. |
Недостатки такого устройства: возможность применения для коррекции коэффициента мощности только на низких частотах и только при фиксированных нагрузках.
Причиной, препятствующей достижению технического результата, является отсутствие управления с учетом сигнала о напряжении в нагрузке.
Признаки аналога, совпадающие с существенными признаками заявляемого изобретения: устройство содержит однофазный мостовой диодный выпрямитель, систему управления, дроссель; параллельно нагрузке включен сглаживающий конденсатор, а последовательно нагрузке - датчик тока.

Известно устройство "Электронный пускорегулирующий аппарат" [Березин М.Ю., Ковалев Ю.И., Ремнев А.М. Методы улучшения коэффициента мощности пускорегулирующего аппарата. - Светотехника, 1997, №2, С.6...8]. Устройство содержит (фиг.2) двухкаскадный однофазный корректор коэффициента мощности и систему управления. Первый каскад образует однофазный мостовой выпрямитель, второй каскад - импульсный преобразователь постоянного напряжения повышающего типа, выход которого соединен с нагрузкой. В состав импульсного преобразователя постоянного напряжения повышающего типа входят последовательно соединенные дроссель Lдр и отсекающий диод VD, к точке соединения дросселя и диода подключен силовой транзистор VT. Параллельно нагрузке включен сглаживающий конденсатор С. В состав системы управления входят датчик входного напряжения ДН, датчик тока ДТ, компаратор К. Согласование системы управления и второго каскада корректора коэффициента мощности (затворной цепи силового транзистора VT) осуществляется с помощью драйверного устройства Др, входящего в состав второго каскада. Формирование синфазной кривой тока iн осуществляется посредством сравнения сигнала uдт с датчиков тока ДТ и сигнала uднс датчика напряжения ДН и формирования на выходе компаратора К сигнала s кпереключения силовым транзистором VT.
Недостатки такого устройства: возможность применения только при фиксированных нагрузках и в устройствах, где не предъявляются высокие требования к стабилизации выходного напряжения Uн.
Причиной, препятствующей достижению технического результата, является отсутствие обратной связи (управления с учетом сигнала о напряжении в нагрузке).
Признаки аналога, совпадающие с существенными признаками заявляемого изобретения: устройство содержит двухкаскадный однофазный корректор коэффициента мощности и систему управления; первый каскад образует однофазный мостовой диодный выпрямитель, второй каскад - импульсный преобразователь постоянного напряжения повышающего типа, выход которого соединен с нагрузкой; в состав импульсного преобразователя постоянного напряжения повышающего типа входят последовательно соединенные дроссель Lдри отсекающий диод VD, к точке соединения дросселя и диода подключен силовой транзистор VT; параллельно нагрузке включен сглаживающий конденсатор С; в состав системы управления входят датчик входного напряжения ДН, датчик тока ДТ, компаратор К; согласование системы управления и второго каскада корректора коэффициента мощности (затворной цепи силового транзистора VT) осуществляется с помощью драйверного устройства Др, входящего в состав второго каскада.

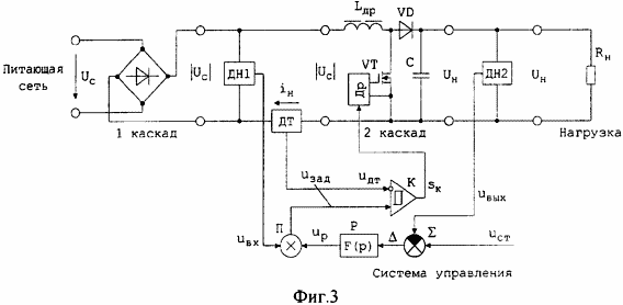
Известно устройство - прототип "Схема повышающего преобразователя постоянного
напряжения в постоянное, используемая для коррекции коэффициента мощности" [Флоренцев
С.Н. Активная коррекция коэффициента мощности преобразователей с однофазным
выпрямителем на входе. - Электротехника, 1992, №3, с.28...32]. Устройство содержит (фиг.3)
двухкаскадный однофазный корректор коэффициента мощности и систему управления.
Первый каскад образует однофазный мостовой диодный выпрямитель, второй каскад -
импульсный преобразователь постоянного напряжения повышающего типа, выход которого
соединен с нагрузкой. В состав импульсного преобразователя постоянного напряжения
повышающего типа входят последовательно соединенные дроссель L др и
отсекающий диод VD, к точке соединения дросселя и диода подключен силовой транзистор VT.
Параллельно нагрузке включен сглаживающий конденсатор С. В состав системы управления
входят датчики напряжения ДН1, ДН2, датчик тока ДТ, компаратор К, перемножитель П,
регулятор Р с передаточной функцией F(p), сумматор
. Согласование системы управления и второго каскада корректора коэффициента мощности (управляющей
цепи силового транзистора VT) осуществляется с помощью драйверного устройства Др,
входящего в состав второго каскада. Формирование синфазной кривой тока iносуществляется посредством сравнения сигналов с датчиков тока ДТ uдт и
задающего сигнала uзад с выхода перемножителя П и формирования на выходе
компаратора К сигнала s к переключения силовым транзистором VT. Задающий
сигнал uзад формируется перемножением сигнала с выхода датчика напряжения
ДН1 uвх (входное напряжение питающей сети) и выходного сигнала регулятора up.Выходное напряжение регулятора формируется с учетом сигнала рассогласования
между выходным сигналом датчика напряжения ДН2 u вых (напряжение на
нагрузке) и заданным стабилизирующим сигналом uст. Сигнал
рассогласования
формируется на
выходе сумматора
.
К недостатку устройства следует отнести ограниченные функциональные возможности: устройство не компенсирует реактивную составляющую полной мощности и мощность искажений.
Причиной, препятствующей достижению технического результата, является формирование синфазного входного тока. Форма входного тока повторяет форму питающего напряжения сети Uс и устройство не компенсирует реактивную составляющую полной мощности и мощность искажений, которые возникают при работе включенных параллельно нелинейных нагрузок (ключевые источники вторичного электропитания с выпрямителями на входе и емкостными накопителями). Таким образом, преобразователь является "прозрачным" для питающей сети только при питании собственной нагрузки и не оказывает влияния на показатели качества электроэнергии в точке подключения, которые могут ухудшаться при работе смежных нелинейных потребителей и потребителей с неединичным коэффициентом мощности (имеющим реактивную составляющую).
Признаки прототипа, совпадающие с существенными признаками заявляемого изобретения: устройство содержит датчик входного напряжения, мостовой однофазный диодный выпрямитель, датчик тока, датчик выходного напряжения, нагрузку, систему управления в составе компаратора, перемножителя, регулятора и сумматора, импульсный преобразователь постоянного напряжения повышающего типа, имеющий в своем составе дроссель, отсекающий диод, силовой транзистор, сглаживающий конденсатор и драйверное устройство, причем вход мостового однофазного диодного выпрямителя является входом источника вторичного электропитания с компенсацией искажений в питающей сети и к этому входу подключен датчик входного напряжения, верхний выход мостового однофазного диодного выпрямителя соединен с верхний входом импульсного преобразователя постоянного напряжения повышающего типа, а нижний - через датчик тока соединен с нижним входом импульсного преобразователя постоянного напряжения повышающего типа, а к выходам последнего подключен датчик выходного напряжения и нагрузка, выходы датчика тока и датчика выходного напряжения соединены соответственно со вторым и третьим входами системы управления; первый вход системы управления соединен с первым входом перемножителя, выход которого соединен с неинвертирующим входом компаратора, второй вход системы управления соединен с инвертирующим входом компаратора, выход компаратора является выходом системы управления и осуществляет коммутацию импульсного преобразователя постоянного напряжения повышающего типа, третий и четвертый входы системы управления соединены соответственно с вычитающим и суммирующим входами сумматора, выход последнего через последовательно соединенный регулятор соединен со вторым входом перемножителя; на четвертый вход системы управления подается задающий сигнал.
Задачей заявляемого изобретения является расширение функциональных возможностей устройства: компенсация неактивной (реактивной мощности и мощности искажений) составляющей полной мощности в однофазной сети переменного тока ограниченной мощности, улучшение качества питающего напряжения и снижение потерь мощности и напряжения в питающей сети.
Технический результат достигается тем, что в устройство активной коррекции коэффициента мощности преобразователей с однофазным выпрямителем на входе введен адаптивный регулятор. Адаптивный регулятор осуществляет изменение формы входного сигнала для системы управления так, что инжектирумые в питающую сеть гармонические составляющие потребляемого тока минимизируют искажения формы кривой питающего напряжения в точке подключения источника вторичного электропитания с компенсацией искажений в питающей сети.
Для достижения технического результата в устройство, содержащее датчик входного напряжения, мостовой однофазный диодный выпрямитель, датчик тока, датчик выходного напряжения, нагрузку, систему управления в составе компаратора, перемножителя, регулятора и сумматора, импульсный преобразователь постоянного напряжения повышающего типа, имеющий в своем составе дроссель, отсекающий диод, силовой транзистор, сглаживающий конденсатор и драйверное устройство, причем вход мостового однофазного диодного выпрямителя является входом источника вторичного электропитания с компенсацией искажений в питающей сети и к этому входу подключен датчик входного напряжения, верхний выход мостового однофазного диодного выпрямителя соединен с верхний входом импульсного преобразователя постоянного напряжения повышающего типа, а нижний - через датчик тока соединен с нижним входом импульсного преобразователя постоянного напряжения повышающего типа, а к выходам последнего подключены датчик выходного напряжения и нагрузка, выходы датчика тока и датчика выходного напряжения соединены соответственно со вторым и третьим входами системы управления, а первый вход системы управления соединен с первым входом перемножителя, выход которого соединен с неинвертирующим входом компаратора, второй вход системы управления соединен с инвертирующим входом компаратора, выход компаратора является выходом системы управления и осуществляет коммутацию импульсного преобразователя постоянного напряжения повышающего типа, третий и четвертый входы системы управления соединены соответственно с вычитающим и суммирующим входами сумматора, выход последнего через последовательно соединенный регулятор соединен со вторым входом перемножителя, а на четвертый вход системы управления подается задающий сигнал, дополнительно введен адаптивный регулятор, состоящий из адаптивного фильтра, двухполупериодного выпрямителя, вычислителя, измерителя коэффициента формы напряжения питающей сети и узла суммирования, причем первый вход адаптивного регулятора соединен с точкой, объединяющей вход адаптивного фильтра, первый вход вычислителя и вход измерителя коэффициента формы напряжения питающей сети, а выход адаптивного фильтра через последовательно соединенный двухполупериодный выпрямитель соединен с первым входом системы управления, вычитающий вход узла суммирования соединен с выходом измерителя коэффициента формы напряжения питающей сети, а на суммирующий вход подается сигнал задания коэффициента формы напряжения сети, причем выход узла суммирования соединен со вторым входом вычислителя, выходная шина которого соединена с входной шиной адаптивного фильтра.

На фиг.4 приведена функциональная схема источника вторичного электропитания с компенсацией искажений в питающей сети.
В состав источника вторичного электропитания с компенсацией искажений в питающей сети входят датчик 1 входного напряжения, мостовой однофазный диодный выпрямитель 2, датчик 3 тока, импульсный преобразователь 4 постоянного напряжения повышающего типа (имеющий в своем составе дроссель 5, отсекающий диод 6, силовой транзистор 7, сглаживающий конденсатор 8 и драйверное устройство 9), датчик 10 выходного напряжения, нагрузка 11, адаптивный регулятор 12 (состоящий из адаптивного фильтра 13, двухполупериодного выпрямителя 14, вычислителя 15, измерителя 16 коэффициента формы напряжения питающей сети и узла 17 суммирования) и система 18 управления (в ее состав входят компаратор 19, перемножитель 20, регулятор 21 и сумматор 22).
Вход мостового однофазного диодного выпрямителя 2 является входом источника вторичного электропитания с компенсацией искажений в питающей сети. Ко входу источника вторичного электропитания с компенсацией искажений в питающей сети подключен датчик 1 входного напряжения, выход которого соединен с первым входом адаптивного регулятора 12. Верхний выход мостового однофазного диодного выпрямителя 2 соединен с верхним входом импульсного преобразователя 4 постоянного напряжения повышающего типа, а нижний - через датчик 3 тока соединен с нижним входом импульсного преобразователя 4 постоянного напряжения повышающего типа. Верхний вход импульсного преобразователя 4 постоянного напряжения повышающего типа через дроссель 5 соединен с точкой, к которой подключен анод отсекающего диода 6 и сток силового транзистора 7. Катод отсекающего диода 6 соединен с точкой, соединяющей верхнюю обкладку конденсатора 8 и верхний выход импульсного преобразователя 4 постоянного напряжения повышающего типа. Нижний вход импульсного преобразователя 4 постоянного напряжения повышающего типа объединяет исток силового транзистора 7, нижнюю обкладку конденсатора 8 и нижний выход импульсного преобразователя 4 постоянного напряжения повышающего типа. К выходам последнего подключены датчик 10 выходного напряжения и нагрузка 11. Затвор и исток силового транзистора 7 соединены с выходом драйверного устройства 9, вход которого соединен с выходом системы 18 управления. Выходы датчика 3 тока и датчика 10 выходного напряжения соединены соответственно со вторым и третьим входами системы 18 управления.
Первый вход системы 18 управления соединен с первым входом перемножителя 20, выход которого соединен с неинвертирующим входом компаратора 19, второй вход системы 18 управления соединен с инвертирующим входом компаратора 19, выход последнего является выходом системы 18 управления и соединен со входом драйверного устройства 9. Третий и четвертый входы системы 18 управления соединены соответственно с вычитающим и суммирующим входами сумматора 22, выход последнего через последовательно соединенный регулятор 21 соединен со вторым входом перемножителя 20. На четвертый вход системы 18 управления подается задающий сигнал s нзад.
Первый вход адаптивного регулятора 12 соединен с точкой, объединяющей вход адаптивного фильтра 13, первый вход вычислителя 15 и вход измерителя 16 коэффициента формы напряжения питающей сети. Выход адаптивного фильтра 13 через последовательно соединенный двухполупериодный выпрямитель 14 соединен с первым входом системы 18 управления. Вычитающий вход узла 17 суммирования соединен с выходом измерителя 16 коэффициента формы напряжения питающей сети, а на суммирующий вход подается сигнал задания коэффициента формы напряжения сети sкфзад . Выход узла 17 суммирования соединен со вторым входом вычислителя 15, выходная шина которого соединена с входной шиной адаптивного фильтра 13.
Источник вторичного электропитания с компенсацией искажений в питающей сети работает следующим образом.
ИСТОЧНИК ВТОРИЧНОГО ЭЛЕКТРОПИТАНИЯ С КОМПЕНСАЦИЕЙ ИСКАЖЕНИЙ В ПИТАЮЩЕЙ СЕТИ
РАБОТАЕТ СЛЕДУЮЩИМ ОБРАЗОМ
![]() | Входное переменное однофазное напряжение Uc поступает на вход датчика 1 входного напряжения и вход мостового однофазного диодного выпрямителя 2. На выходе датчика 1 входного напряжения формируется сигнал Sc (здесь и далее функция времени не показана), поступающий на первый вход адаптивного регулятора 12. Выходное выпрямленное напряжение |U c| (модуль входного сигнала) выпрямителя через датчик 3 тока подается на вход преобразователя 4 постоянного напряжения повышающего типа. При переключении силового транзистора 7 в проводящее (открытое) состояние к дросселю 5 прикладывается выпрямленное напряжение |Uc| и ток через дроссель iи начинает нарастать (интервал времени t A...tB, фиг.5):
где iи(t) - ток источника стабилизированного напряжения с компенсацией мощности искажений в однофазной сети переменного тока; L - индуктивность дросселя 5; tA и tB - соответственно моменты времени открывания и закрывания силового транзистора 7. |
На интервале времени tA ...tB отсекающий диод 6 находится в закрытом состоянии (|Uc|<UH ) и питание нагрузки 11 обеспечивается заряженным сглаживающим конденсатором 8. На выходе датчика 3 тока формируется сигнал sдт5 пропорциональный входному току i и:
![]()
где kдт - коэффициент передачи датчика 3 тока.
При превышении выходного сигнала датчика 3 тока sдт задающего сигнала sзад с выхода перемножителя 20 на значение порогового сигнала (гистерезиса) компаратора 19 Sпор, т.е. при sдт-sзад>S пор(точка А на фиг.5), компаратор 19 переключается и силовой транзистор 7 переходит в закрытое состояние. Ток дросселя 5 i и протекает через открытый отсекающий диод 6, тем самым подзаряжая емкость сглаживающего конденсатора 8. Спадание тока на интервале времени tB...t С (фиг.5) продолжается до точки С, в которой s дт-sзад<Sпор . В этот момент времени происходит переключение компаратора 19 в единичное состояние и силовой транзистор 7 открывается. Ток через дроссель 5 возрастает до точки D, в которой s дт-sзад>Sпор. На интервалах времени tA...t B и tC...tDотсекающий диод 6 закрыт, т.е. выполняется условие |U c|<Uн. Таким образом формируется ток через дроссель 5 с огибающей в виде положительных полуволн, пропорциональных и повторяющих форму полуволн напряжения U c на входе мостового однофазного диодного выпрямителя 2, а значит на входе источника вторичного электропитания с компенсацией искажений в питающей сети.
Выходной сигнал s дт датчика 3 тока подается на инвертирующий вход
компаратора 19, где производится сравнение с задающим сигналом s зад (выход
перемножителя 20). Выразим сигнал перемножителя 20 sзад через сигнал ошибки
регулирования
=sнзад-Uнkдн2 на выходе сумматора 22 (kдн2 - коэффициент передачи датчика 10 выходного
напряжения):
![]()
где sвх - входное напряжение системы 18 управления;
sвых - сигнал выходного напряжения датчика 10 выходного напряжения устройства, sвых=Uнk дн2;
sр - выходное напряжение регулятора 21;
- напряжение на выходе сумматора
22;
F(p) - передаточная функция регулятора 21.
Система 18 управления обеспечивает формирование входного тока iи, амплитуда которого определяется значением сигнала задания s нзад (выходного напряжения Uн), а форма повторяет форму входного сигнала системы 18 управления sвх (выходное напряжение адаптивного регулятора 12).
Рассмотрим процесс формирования входного сигнала s вх системы 18 управления (сигнал на выходе адаптивного регулятора). Выходной сигнал sс с выхода датчика 1 входного напряжения поступает на вход измерителя 16 коэффициента формы напряжения питающей сети. На выходе последнего формируется сигнал sкф :

где kкф - коэффициент преобразования измерителя 16 коэффициента формы напряжения питающей сети;
kдн1 - коэффициент передачи датчика 1 входного напряжения;
Т - период колебаний входного напряжения сети.
На вход узла 17 суммирования поступают сигналы, соответствующие фактическому значению коэффициента формы sкф , и сигнал задания коэффициента формы sкфзад, соответствующий неискаженной форме входного переменного напряжения. Для неискаженной синусоидальной формы питающего напряжения коэффициент формы kфнсоставляет [Измерения в электронике: Справочник / Под ред. Кузнецова В.А. - М.: Энергоатомиздат, 1987. - 512 с., с.86] sкфзад=1,111:

Адаптивный регулятор 12 представляет собой алгоритмический блок, реализация которого предполагает применение микропроцессора. Поэтому процесс функционирования рассматривается далее в дискретном времени в моменты отсчетов n-1, n, n+1...
В случае, когда измеренный коэффициент формы напряжения сети в n-ый момент времени sкф(n)отличается от коэффициента формы для неискаженной формы питающего напряжения, на
выходе узла 17 суммирования формируется сигнал ошибки
n=sкфзад-s кф(n). Дискретный сигнал ошибки
n поступает на вход вычислителя 15. Вычислитель реализует подстройку
коэффициентов передачи (матрица Wn) адаптивного фильтра по методу
наименьших квадратов [Уидроу Б., Стирнз С. Адаптивная обработка сигналов. М.: Радио и
связь, 1989. - 440 с., с.94...101]:
![]()
где Sc(n)=[s c(n) sc(n-1)...(s с(n-L)]T - вектор входного сигнала адаптивного фильтра 13;
L - порядок адаптивного фильтра 13;
- коэффициент, определяющий
скорость адаптации метода наименьших квадратов.
Изменение коэффициентов передачи Wn приводит к тому, что выходной сигнал uфадаптивного фильтра 13 отличается от синусоидального. Выходной сигнал uфадаптивного фильтра 13 поступает на вход двухполупериодного выпрямителя 14, выделяющего
модуль сигнала uф. Выходной сигнал двухполупериодного выпрямителя 14
поступает на вход системы 18 управления. Подстройка коэффициентов передачи W nприводит к тому, что форма потребляемого тока становится отличной от синусоидальной. В
результате в питающую сеть производится инжекция высших гармоник потребляемого тока.
На следующем шаге итерационной настройки коэффициентов передачи процесс повторяется,
что приводит к изменению формы кривой напряжения питающей сети. Процесс адаптивной
настройки направлен на минимизацию ошибки между фактическим и заданным коэффициентом
формы кривой напряжения питающей сети. Таким образом процесс замыкается через влияние
заявляемого устройства на коэффициент формы питающего напряжения, а следовательно, на
показатели качества электроэнергии. В процессе настройки уровень гармоник,
инжектируемых в питающую сеть, изменяет форму и стремится минимизировать ошибку
рассогласования
n между
заданным значением коэффициента формы sкфзад и фактическим s кф(n)на следующем (n+1)-м шаге настройки. Поясним процесс коррекции коэффициента формы кривой
напряжения питания на примере фрагмента сети переменного тока (фиг.6).

Рассматриваемая система электроснабжения имеет в своем составе силовой
трансформатор (или другой источник) с фазной э.д.с. Еф и активной и
реактивной составляющими внутреннего сопротивления Rвн и Xвн(k)=k
Lвн (
- основная частота
кривой питающей сети; k - номер гармоники), полная мощность которого соизмерима с
суммарной полной мощностью всех потребителей, подключенных в точке общего
присоединения (ТОП). При этом подразумевается, что искажения на выходе источника
фазного искажения отсутствуют, т.е. амплитуды высших гармоник равны нулю. Для упрощения
линия связи между выходом силового трансформатора и ТОП представлена активным
сопротивлением R л. Потребители представлены (стрелки отражают направление
передачи мощности):
- линейной нагрузкой, потребляющей активную Pл мощность;
- нелинейной нагрузкой, потребляющей активную Pн, реактивную Qни мощность искажений D н;
- светильниками дроссельного типа, потребляющими активную Pс и реактивную Q c мощность;
- заявляемым устройством - источником вторичного электропитания с компенсацией искажений в питающей сети, потребляющим активную Pк и генерирующим в сеть реактивную Qк и мощность искажений Dк;
- другими потребителями, потребляющими в общем случае активную Рд, реактивную Qд и мощность искажений D д.
Оценим технико-экономический эффект от использования предлагаемого изобретения. Для
этого определим суммарный потребляемый ток I
a и потери активной
Рaмощности в ТОП при работе всех потребителей при условии, что заявляемый источник
вторичного электропитания с компенсацией искажений в питающей сети потребляет только
активную мощность, т.е. Qк=0 и D к=0:


Запишем выражение для мгновенного значения напряжения в ТОП uТОП(t) как
разность мгновенных значений фазного напряжения Еф и падения напряжения
суммарного потребляемого тока I
a на элементах сети:
![]()
где Ефm - амплитуда гармонической составляющей напряжения в цепи источника;
I m(k) - амплитуда k-той гармонической составляющей тока в цепи источника.
В данном режиме работы напряжение в точке общего присоединения содержит
гармонические составляющие, которые являются следствием работы нелинейных нагрузок. В
этом случае коэффициент формы кривой напряжения в точке общего присоединения будет
отличаться от значения, определяемого для чисто синусоидальной кривой. Оценим
суммарный потребляемый ток I
k и потери активной
Ркмощности в ТОП при работе всех потребителей при условии, что заявляемый источник
стабилизированного напряжения с компенсацией мощности искажений в однофазной сети
переменного тока потребляет активную мощность, а в питающую генерирует реактивную
мощность Qк<0 и мощность искажений Dк<0:
(9)
(10)
В рассматриваемом случае коэффициент формы кривой питающего напряжения приближается к значению для синусоидальной формы. Процесс адаптивной подстройки замыкается через инжекцию в питающую сеть высших гармонических составляющих и поясняется на фиг.7.

Анализ выражений (7) и (9) показывает, что инжекция в питающую сеть гармоник тока со стороны заявляемого источником вторичного электропитания с компенсацией искажений в питающей сети позволяет в сравнении с прототипом обеспечить положительный эффект:
- уменьшить потери активной мощности в системе электроснабжения:
Pк<
Pа;
- произвести компенсацию неактивной (реактивной мощности и мощности искажений) составляющей полной мощности;
- улучшить показатели качества электроэнергии [ГОСТ 13109-97. Электрическая энергия.
Совместимость технических средств электромагнитная. Нормы качества электрической
энергии в электрических сетях общего назначения. - М.: Издательство стандартов, 1998. - 31 с.]
в части установившегося отклонения напряжения
Uc: снижается значение потери напряжения за счет частичной компенсации
мощности искажений и реактивной мощности потребителей;
- улучшить показатели качества электроэнергии [ГОСТ 13109-97. Электрическая энергия. Совместимость технических средств электромагнитная. Нормы качества электрической энергии в электрических сетях общего назначения. - М.: Издательство стандартов, 1998. - 31 с.] в части коэффициента искажения синусоидальности кривой напряжения

в ТОП: снижаются значения высших гармонических составляющих кривой питающего напряжения за счет частичной компенсации мощности искажений потребителей.
Измеритель 16 коэффициента формы кривой напряжения сети реализует алгоритм интегральной обработки сигнала и может быть выполнен на аналоговой элементной базе с применением перемножителей сигналов [Попов B.C., Желбаков И.Н. Измерение среднеквадратического значения напряжения. - М.: Энергоатомиздат, 1987. - 120 с.; Алексенко А.Г., Коломбет Е.А., Стародуб Г.И. Применение прецизионных аналоговых микросхем. - 2-е изд., перераб. и доп.- М.: Радио и связь, 1985. - 256 с.] или на цифровом алгоритмическом (программном) блоке с цифровой обработкой сигналов [Горлач А.А., Минц М.Я., Чинков В.Н. Цифровая обработка сигналов в измерительной технике. - Киев: Технiка, 1985., с.62...68].
![]() | На фиг.8 показан пример технической реализации измерителя 16 коэффициента формы напряжения питающей сети на аналоговой элементной базе. Он содержит перемножители 23, 24, 25 сигналов, прецизионный двухполупериодный выпрямитель 26, фильтры 27, 28 нижних частот, операционные усилители 29, 30. |
Исследуемый сигнал sс, коэффициент формы которого требуется определить, поступает на оба входа перемножителя 23 и прецизионного двухполупериодного выпрямителя 26. Выходные сигналы sс 2 и |s с| с выходов рассмотренных каскадов поступают на входы фильтров нижних частот 27 и 28, выделяющих постоянную составляющую рассмотренных сигналов:
![]()
где k1 - коэффициент передачи перемножителя 23;
k3 - коэффициент передачи двухполупериодного выпрямителя 26;
k 2, k4 - коэффициенты передачи соответственно фильтров 27 и 28 нижних частот.
На операционном усилителе 29 и перемножителе 24 реализована схема извлечения квадратного корня:

где k5 - коэффициент преобразования схемы извлечения квадратного корня на базе операционного усилителя 29 и перемножителя 24.
Сигналы с выходов операционного усилителя 29 и фильтра нижних частот 28 поступают на схему деления сигналов на базе операционного усилителя 30 и перемножителя 25, где и формируется сигнал, пропорциональный коэффициенту формы:

где k6 - коэффициент преобразования схемы деления сигналов на базе операционного усилителя 30 и перемножителя 25.
Таким образом, на выходе операционного усилителя 30 формируется сигнал sкф, пропорциональный коэффициенту формы кривой питающего напряжения сети.
Вариант технической реализации прецизионного двухполупериодного выпрямителя 26 приведен в [Титце У., Шенк К. Полупроводниковая схемотехника: Справочное руководство. Пер. с нем. - М.: Мир, 1982, 512 с., с.471].
В качестве регулятора 21, входящего в состав системы 18 управления, может использоваться пропорционально-интегрирующий или интегрирующий регулятор, вариант исполнения которого на аналоговой элементной базе приводится в [Титце У., Шенк К. Полупроводниковая схемотехника: Справочное руководство. Пер. с нем. - М.: Мир, 1982, 512 с., с.480...484].

На фиг.9 приведен вариант исполнения адаптивного фильтра 13 и вычислителя 15. Адаптивный фильтр имеет в своем составе [Титце У., Шенк К. Полупроводниковая схемотехника: Справочное руководство. Пер. с нем. - М.: Мир, 1982, 512 с., с.425; Уидроу Б., Стирнз С. Адаптивная обработка сигналов. М.: Радио и связь, 1989. - 440 с., с.96] фильтры 31 и 32 нижних частот, устройство 33 выборки-хранения, аналого-цифровой преобразователь 34 АЦП, элементы 35...37 задержки, количество которых определяется порядком адаптивного фильтра L, перемножители 38...40, число которых определяется порядком адаптивного фильтра L, сумматор 41, цифроаналоговый преобразователь 42 ЦАП.
Вычислитель 15 имеет в своем составе усилители 43...45 с коэффициентом передачи 2
, перемножители 46...48 и интеграторы 49...51.
Входной сигнал sc отфильтровывается входным фильтром 31 нижних частот,
стробируется и запоминается устройством 33 выборки хранения и преобразуется в цифру
посредством АЦП 34. Сдвиг данных на время
t элементами задержки производится в тактовые моменты времени, которые определяются
тактирующими импульсами по входу "Такт". На выходе АЦП 34 и элементов 35...37 задержки
формируются сигналы дискретного времени sc(n), s c(n-1), sc(n-L),
поступающие на входы перемножителей 38...40, далее с выхода которых - на вход сумматора 41.
Выходной цифровой сигнал сумматора 41 преобразуется в аналоговый сигнал ЦАП 42, далее -
отфильтровывается фильтром 32 нижних частот. Выходной сигнал sф последнего
является выходным сигналом адаптивного фильтра.
Входными сигналами вычислителя 15 являются выборки входного сигнала в дискретные моменты времени sc(n), s c(n-1), sc(n-L), поступающие на входы усилителей 43...45, а с них - на входы перемножителей 46...48. Интегрирование выходных сигналов сумматоров 46...48 происходит в интеграторах 49...51, выходы которых образуют выходную шину вычислителя, формирующую вектор весовых коэффициентов на n-ном шаге процесса адаптивной настройки адаптивного фильтра.
Конструктивно адаптивный фильтр и вычислитель целесообразно выполнять на базе микропроцессоров, укомплектованных входным аналого-цифровым преобразователем.
ФОРМУЛА ИЗОБРЕТЕНИЯ
Источник вторичного электропитания с компенсацией искажений в питающей сети, содержащий датчик входного напряжения, мостовой однофазный диодный выпрямитель, датчик тока, датчик выходного напряжения, нагрузку, систему управления в составе компаратора, перемножителя, регулятора и сумматора, импульсный преобразователь постоянного напряжения повышающего типа, имеющий в своем составе дроссель, отсекающий диод, силовой транзистор, сглаживающий конденсатор и драйверное устройство, причем вход мостового однофазного диодного выпрямителя является входом источника вторичного электропитания с компенсацией искажений в питающей сети и к этому входу подключен датчик входного напряжения, верхний выход мостового однофазного диодного выпрямителя соединен с верхним входом импульсного преобразователя постоянного напряжения повышающего типа, а нижний через датчик тока соединен с нижним входом импульсного преобразователя постоянного напряжения повышающего типа, а к выходам последнего подключен датчик выходного напряжения и нагрузка, выходы датчика тока и датчика выходного напряжения соединены соответственно со вторым и третьим входами системы управления, а первый вход системы управления соединен с первым входом перемножителя, выход которого соединен с неинвертирующим входом компаратора, второй вход системы управления соединен с инвертирующим входом компаратора, выход компаратора является выходом системы управления и осуществляет коммутацию импульсного преобразователя постоянного напряжения повышающего типа, третий и четвертый входы системы управления соединены соответственно с вычитающим и суммирующим входами сумматора, выход последнего через последовательно соединенный регулятор соединен со вторым входом перемножителя, а на четвертый вход системы управления подается задающий сигнал, отличающийся тем, что в него введен адаптивный регулятор, состоящий из адаптивного фильтра, двухполупериодного выпрямителя, вычислителя, измерителя коэффициента формы напряжения питающей сети и узла суммирования, причем с первым входом адаптивного регулятора соединен выход датчика входного напряжения, первый вход адаптивного регулятора соединен с точкой, объединяющей вход адаптивного фильтра, первый вход вычислителя и вход измерителя коэффициента формы напряжения питающей сети, а выход адаптивного фильтра через последовательно соединенный двухполупериодный выпрямитель соединен с первым входом системы управления, вычитающий вход узла суммирования соединен с выходом измерителя коэффициента формы напряжения питающей сети, а на суммирующий вход узла суммирования подается сигнал задания коэффициента формы напряжения сети, причем выход узла суммирования соединен со вторым входом вычислителя, выходная шина которого соединена с входной шиной адаптивного фильтра.
Версия для печати
Дата публикации 15.02.2007гг
Created/Updated: 25.05.2018
|




