| Начало раздела Производственные, любительские Радиолюбительские Авиамодельные, ракетомодельные Полезные, занимательные | Хитрости мастеру Электроника Физика Технологии Изобретения | Тайны космоса Тайны Земли Тайны Океана Хитрости Карта раздела | |
| Использование материалов сайта разрешается при условии ссылки (для сайтов - гиперссылки) | |||
Навигация: => | На главную/ Каталог патентов/ В раздел каталога/ Назад / |
|
ИЗОБРЕТЕНИЕ
Патент Российской Федерации RU2263991
![]()
УПРАВЛЯЕМЫЙ РЕАКТОР-АВТОТРАНСФОРМАТОР
Имя изобретателя: Каленик Владимир Анатольевич
Имя патентообладателя: Каленик Владимир Анатольевич
Адрес для переписки: 610020, г.Киров, ул. Ст. Халтурина, 28, кв.7, В.А. Каленику
Дата начала действия патента: 2002.03.11
Изобретение относится к электротехнике и может быть использовано для компенсации избыточной реактивной мощности линии электропередачи и регулирования на ней общего уровня напряжения. Устройство содержит магнитопровод с основным стержнем, на котором расположены обмотки: основная, состоящая из верхней и нижней частей, компенсационная и управляющая. Управляющая обмотка охватывает верхнюю часть основной обмотки и состоит из секций, замыкаемых через управляемые тиристорные блоки. Устройство может содержать и вторую обмотку управления, аналогичную по схеме и управлению первой, но располагаемую между основным стержнем и верхней частью основной обмотки, используемую для расширения регулирования реактивной мощности. Технический результат заключается в совмещении в одном устройстве функции регулирования реактивной мощности и напряжения в широком диапазоне.
ОПИСАНИЕ ИЗОБРЕТЕНИЯ
Изобретение относится к электротехнике, в частности к управляемым реакторам-автотрансформаторам, и может быть использовано для компенсации избыточной реактивной мощности линии электропередачи и изменения на ней общего уровня напряжения.
Известен управляемый реактор (Авторское свидетельство СССР №1541681, кл. H 01 F 29/14 [1]), изменение реактивной мощности которого осуществляется путем регулирования величины постоянного тока в обмотке подмагничивания. Реактор имеет вторичную обмотку для питания статического компенсатора реактивной мощности, используемого для регулирования напряжения на ЛЭП.
Известен и трехфазный совмещенный реактор-автотрансформатор (Авторское свидетельство СССР №1781711, кл. H 01 F 29/14 [2]), предназначаемый для улучшения режимов работы дальних электропередач и обладающий возможностью непосредственного подключения к высоковольтной линии. Изменение реактивной мощности, потребляемой реактором-автотрансформатором (РА), осуществляется путем изменения тока обмотки управления, охватывающей один из стержней фазного модуля. Величина тока короткого замыкания этой обмотки регулируется встречно-параллельно включенными в ее цепь тиристорами. Изменение угла зажигания тиристоров приводит к снижению (увеличению) указанного тока, но при этом генерируются высшие гармоники в токе основной обмотки РА. Для устранения нечетных гармоник РА снабжен фазосдвигающими и компенсационными обмотками, что усложняет конструкцию устройства.
Основная обмотка РА, выполненная по автотрансформаторной схеме, состоит из двух частей, между которыми включается дополнительный автотрансформатор (ДАТ) небольшой мощности, который совмещен с РА. Магнитопровод ДАТ подмагничивается постоянным током. Если подмагничивание отсутствует, то напряжение на обмотке ДАТ, включенной последовательно в основную обмотку, возрастает, а при определенном уровне подмагничивания снижается. Таким образом может регулироваться напряжение на среднем выводе основной обмотки РА, подключаемой, например, к линии электропередачи. Напряжение изменяется в пределах 8-14%, что недостаточно для осуществления глубокого регулирования напряжения на линии.
Все управляемые шунтирующие реакторы (УШР) с подмагничиванием сердечника, в том числе и реакторы-автотрансформаторы типа [1], [2], имеют серьезные недостатки:
- повышенное содержание высших гармонических, вызываемое насыщением сердечника и работой тиристоров при неполных углах открытия;
- большая инерционность реактора, связанная с наличием постоянной составляющей в магнитном потоке.
Указанные недостатки реакторов в значительной степени устранены в УШР трансформаторного типа (Александров Г.Н. К методике расчета шунтирующих реакторов трансформаторного типа. - Электричество, 1998, №4 [3]). Этот реактор имеет конструкцию трансформатора с замкнутым магнитопроводом и обмотками: основной обмоткой, обмоткой управления и компенсационной для подавления нечетных гармоник. Управляющая обмотка (УО) охватывает основной стержень, а основная обмотка (OO) располагается поверх УО и охватывает ее по всей длине.
Изменение тока УО, осуществляемое тиристорными блоками, приводит к вытеснению магнитного потока из основного стержня и, как следствие, увеличению сопротивления этому потоку. При этом увеличивается ток реактора.
Усовершенствованная модель этого реактора имеет допустимый уровень высших гармонических, потери в номинальном режиме не превышают 0,5%; но не предназначена для непосредственного регулирования напряжения на линии.
Известно, что для осуществления оптимального по потерям активной мощности режима дальней электропередачи необходимо регулировать не только реактивную мощность в конечных узлах линии, но и общий уровень напряжения на ней (Электрические системы. Т.III. Передача электрической энергии постоянным и переменным током высокого напряжения. Под ред. В.А.Веникова. - М.: Высшая школа, 1975 [5]). Для обеспечения минимума потерь активной мощности в ЛЭП необходимо изменять напряжение на ней пропорционально корню квадратному из передаваемой мощности.
В какой-то мере такой режим может обеспечиваться реакторами [1] и [2]. Однако в силу технического несовершенства (отмеченного выше) и недостаточного диапазона регулирования напряжения использование их для оптимального управления режимами протяженных электропередач сверхвысокого напряжения весьма проблематично.
Наиболее близким по технической сущности к предлагаемому устройству является реактор-автотрансформатор [2], который способен осуществлять регулирование реактивной мощности и напряжения на одном из выводов основной обмотки.
Цель изобретения - совмещение в предлагаемом устройстве функций регулирования реактивной мощности и регулирования напряжения расширенного диапазона.
Поставленная цель достигается тем, что управляемый реактор-автотрансформатор, содержащий магнитопровод с ярмами и основным стержнем, вокруг которого расположены все обмотки: основная обмотка, состоящая из верхней и нижней частей со средним выводом, компенсационная обмотка, управляющая обмотка и управляемые тиристорные блоки со встречно-параллельно включенными тиристорами, выполнен так, что управляющая обмотка охватывает верхнюю часть основной обмотки. Кроме того, управляющая обмотка разделена на секции, соединенные последовательно, имеющие одинаковые высоты, равные высоте верхней части основной обмотки, а параллельно секциям включены управляемые тиристорные блоки последовательно с токоограничивающими дросселями. Управляемый реактор-автотрансформатор может быть выполнен со второй управляющей обмоткой, аналогичной по устройству рассмотренной выше, которая расположена между верхней частью основной обмотки и основным стержнем. Кроме того, начало основной обмотки и ее средний вывод подключены к входному узлу управляемого реактора-автотрансформатора через коммутаторы, например выключатели нагрузки.
Управляемый реактор-автотрансформатор (УРА) состоит из замкнутого магнитопровода, имеющего основной стержень 1, боковые ярма 2, торцевые ярма 3, кольцевые магнитные шунты 4, верхнюю часть основной обмотки 5, нижнюю часть основной обмотки 6, компенсационную обмотку (на фиг.1 не показана), управляющую обмотку 7.
Верхняя часть основной обмотки 5 охвачена по всей высоте управляющей обмоткой, разделенной на секции, одинаковой высоты, равной высоте верхней части основной обмотки. Параллельно указанным секциям включены управляемые тиристорные блоки (ТБ) 8 последовательно с токоограничивающими дросселями (ТД) 9, необходимыми для ограничения тока короткого замыкания секций. На фиг.2 показана и компенсационная обмотка 10, управляющая обмотка (УО) и основная обмотка (OO), состоящая из верхней 5 и нижней 6 частей со средним выводом 11.
УО замыкается ТБ, рассчитанным на полную мощность УРА. При запертых тиристорах ток в УО отсутствует и мощность реактора минимальна (режим холостого хода). При полностью открытых тиристорах ТБ ток в OO и УО максимален (наибольшая мощность УРА). В этом режиме напряжение на OO равно номинальному, как и в режиме холостого хода. Это возможно, так как напряжение короткого замыкания УРА равно 100%. Последнее достигается расположением OO и УО на основном стержне с соответствующим воздушным зазором.
Короткозамкнутая УО не может иметь потокоспецлений с магнитным потоком УРА. Следовательно, в номинальном режиме работы УРА магнитный поток должен замыкаться таким образом, чтобы суммарное его потокосцепление с УО было равно нулю при обеспечении необходимого числа потоокосцепления с основной обмоткой. Это означает, что основная часть магнитного потока проходит вне УО - в межобмоточном пространстве и в объеме, занимаемом обмотками.
В УРА при номинальном токе в воздух вытесняется практически весь магнитный поток. Потокораспределение в номинальном режиме показано на фиг.1. Мощный магнитный поток в воздухе может вызвать добавочные потери.
Для его сбора и направления в магнитопровод торцы обмоток с двух сторон прикрываются кольцевыми магнитными шунтами 4.
Реактивная мощность УРА регулируется путем замыкания отдельных секций УО. На фиг.2 УО разделена на 4 секции. Отдельные секции УО имеют различное пространственное положение по отношению к OO. В этом случае при напряжении к.з. OO относительно УО в целом равным Uк=100% напряжение к.з. OO относительно отдельных секций УО будет отличаться от 100% (различная величина зазоров) и ток секций может превысить номинальное значение. Для его ограничения вводятся дроссели. При включении одной секции УО ток УРА увеличивается примерно на 25%. При замыкании тиристоров ТБ-5 шунтируются все дроссели отдельных секций и ток OO увеличивается до номинального значения.
Непрерывное регулирование реактивной мощности УРА осуществляется за счет изменения угла отпирания тиристоров. При неполном отпирании тиристоров появляются высшие гармонические в кривой тока. Однако возникающие высшие гармонические в кривой тока коммутируемого тиристорами контура возбуждают высшие гармонические в магнитном потоке, а те в свою очередь индуцируют противо-ЭДС в короткозамкнутом контуре. В результате высшие гармонические в кривой тока OO УРА эффективно подавляются. При разделении УО на секции эффективность подавления возрастает пропорционально кратности деления.
Главное предназначение УРА - оптимальное управление режимами дальних электропередач по напряжению на линии и потреблению избыточной реактивной мощности, генерируемой этой линией. Оптимальным будет такой процесс регулирования, при котором при увеличении передаваемой по линии активной мощности увеличиваются одновременно напряжение на линии и потребление реактивной мощности в конечных узлах [5].
При увеличении потребляемой УРА реактивной мощности одновременно увеличивается напряжение на среднем выводе ОО. Рассмотрим этот процесс подробно.
Допустим, что УО разделена на четыре секции и коммутируется с помощью ТБ-1 первая секция. По мере возрастания тока секции увеличивается вымещение магнитного потока из основного стержня в пространстве между обмотками, что приводит к увеличению тока ОО. Одновременно происходит уменьшение потокосцепления верхней части основной обмотки с магнитным потоком УРА и снижение ее противо-ЭДС. Следствием этого является перераспределение напряжения, приложенного к ОО, между ее частями в сторону повышения напряжения на среднем выводе ОО. По мере замыкания секций УО возрастает напряжение на линии, подключенной к среднему выводу ОО, и достигает номинального значения при закорачивании всех секций УО. Падение напряжения на верхней части ОО в этом режиме практически равно нулю, так как отсутствует противо-ЭДС из-за вымещения магнитного потока из зоны размещения верхней части ОО.
При плавном изменении тока секции УО, когда производится регулирование угла отпирания тиристоров, постепенно увеличивается (снижается) реактивная мощность УРА одновременно с увеличением (снижением) напряжения на среднем выводе ОО.
Введение второй управляющей обмотки, размещенной между верхней частью ОО и основным стержнем, открывает возможность изменения реактивной мощности УРА без изменения напряжения на среднем выводе ОО. Для регулирования тока в секциях дополнительной УО может использоваться система, аналогичная описанной выше и относящаяся к УО, расположенной между верхней и нижней частями ОО.
Для осуществления оптимального по потерям режима дальней линии электропередачи необходимо изменять напряжение в ее конечных узлах в соответствии с выражением
![]()
где Um - напряжение в начале (конце) линии; Р - активная мощность в начале (конце) линии; gm - параметр, определяемый обобщенными постоянными линии.
При этом реактивная мощность реакторов (УРА) по концам линии должна изменяться по выражению
![]()
где Qm - мощность реактора в начале (конце) линии; Um - оптимальное значение напряжения в начале (конце) линии, определяемое по (1); bm - параметр, зависящий от обобщенных постоянных линии.
Параметры g m и bm определяются по формулам

где А, В, С и D - обобщенные постоянные линии [5].
Напряжение на линии Um , определяемое по (1), пропорционально корню квадратному из активной мощности соответствующего конца линии. При этом реактивная мощность, потребляемая УРА, определяется по (2). Управление током в секциях УО, осуществляемое тиристорами ТБ, вызывает одновременное изменение напряжения на линии и потребления из линии реактивной мощности. Эти изменения должны быть максимально приближены к значениям Um, Qm, определяемым соответственно по (1) и (2).
![]() | ![]() |
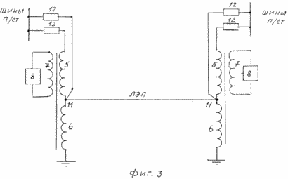
![]() | На фиг.3 приведена схема включения УРА по концам линии электропередачи. Верхняя часть основной обмотки (ВОО) подключается к шинам концевых подстанций, а линия - к средним выводам (СВ) основной обмотки УРА. При нагрузке линии, составляющей 10-20% ее натуральной мощности, УРА работают в режиме автотрансформатора, понижающего напряжение на линии на 30-40% от номинального уровня. Величина снижения общего уровня напряжения на линии согласуется с требованиями поддержания необходимого запаса устойчивости электропередачи. Следует заметить, что УРА в отправном конце линии работает на понижение напряжения, а в приемном конце - на повышение напряжения до уровня напряжения шин приемного узла. |
В диапазоне изменения нагрузки линии до 20-25% ее натуральной мощности Рcпониженное напряжение остается неизменным (например UЛЭП =0,7 Uном.ЛЭП). Поддержание постоянства напряжения в конечных узлах линии может осуществляться за счет регулирования реактивной мощности УРА, установленных в этих узлах. Для этого требуется задействовать РО УРА, расположенную на основном стержне вплотную к нему с зазором по отношению к верхней части OO. Для упрощения чертежа на фиг.1 эта обмотка не показана. Если такая РО в УРА не предусматривается, то регулирование осуществляется другими средствами, предусматриваемыми на этот случай в конечных узлах линии.
При дальнейшем увеличении нагрузки (свыше 20-25%) регулируется (повышается) ток секций УО, расположенных между верхней и нижней частями OO, благодаря чему повышается напряжение на среднем выводе OO УРА (на линии электропередачи) и увеличивается потребляемая им избыточная реактивная мощность, генерируемая линией. Этот процесс одновременного увеличения напряжения и потребления реактивной мощности заканчивается при напряжении на линии, равном номинальному. Для линий 500 кВ с маркой провода 3×АСО-500 длиной 500, 1000, 1500 км указанное напряжение достигается при нагрузке, соответственно равной 0,35 Рc ; 0,6 Рc; 1,0 Рc (где Рc - натуральная мощность, для ЛЭП-500 кВ Рc=900 МВт) [5]. С увеличением длины линии диапазон оптимального регулирования напряжения и реактивной мощности в функции нагрузки линии расширяется. При нагрузках, превышающих указанные значения (например, для ЛЭП-500 кВ длиной 500 км Р>0,35Рc), напряжение на ней поддерживается на неизменном уровне, равном номинальному. Регулирование напряжения производится УРА при его работе в реакторном режиме. Перевод УРА в этот режим может осуществляться различными способами. Наиболее приемлемым представляется способ, который основан на коммутации начального и среднего выводов основной обмотки. В режиме номинальной загрузки УРА (по реактивной мощности) напряжения на начальном и среднем выводах OO равны и могут быть замкнуты через коммутационный аппарат 12, например выключатель нагрузки. Тогда начало OO может быть отключено от входного зажима УРА, например, отделителем (см. фиг.2).
Таким образом, коммутация сводится к шунтированию выводов начала и середины основной обмотки и следующему за ним отсоединению начала этой обмотки от входного зажима УРА.
При дальнейшем увеличении нагрузки линии УРА работает в режиме поддержания напряжения (в точке его подключения) на заданном уровне. Для этого производится постепенное снижение тока УО, достигающее нулевого значения при нагрузке, равной натуральной мощности линии.
Предлагаемое устройство - УРА позволяет осуществить оптимальное управление сверхдальними ЛЭП сверхвысокого напряжения, которое базируется на одновременном регулировании общего уровня напряжения и потребления реактивной мощности в конечных узлах.
Использование УРА в сверхдальних ЛЭП позволяет осуществить:
- передачу энергии по линии без промежуточных устройств компенсации реактивной мощности;
- успешное внедрение ЛЭП повышенной натуральной мощности ввиду более эффективного способа компенсации избыточной емкостной мощности линии;
- снижение затрат на сооружение ЛЭП;
- более надежное функционирование сверхдальней электропередачи.
ФОРМУЛА ИЗОБРЕТЕНИЯ
1. Управляемый реактор-автотрансформатор, содержащий магнитопровод с ярмами и основным стержнем, вокруг которого расположены основная обмотка, состоящая из двух частей со средним выводом, начальный вывод первой части которой подключен к шинам концевых подстанций линии электропередач, а средний вывод - к линии электропередачи, компенсационная и управляющая обмотки, управляемые тиристорные блоки со встречно-параллельно включенными тиристорами, отличающийся тем, что управляющая обмотка охватывает первую часть основной обмотки, расположена между первой и второй ее частями и состоит из последовательно соединенных и равных по высоте первой части основной обмотки секций, параллельно которым подключены управляемые тиристорные блоки, начальный и средний вывод основной обмотки подключены к входному зажиму управляемого реактор-автотрансформатора через коммутационные аппараты.
2. Управляемый реактор-автотрансформатор по п.1, отличающийся тем, что он снабжен расположенной между первой частью основной обмотки и основным стержнем магнитопровода второй управляющей обмоткой, состоящей из последовательно соединенных и равных по высоте первой части основной обмотки секций, параллельно которым подключены управляемые тиристорные блоки.
3. Управляемый реактор-автотрансформатор по п.1 или 2, отличающийся тем, что последовательно с управляемым тиристорным блоком включен токоограничивающий дроссель.
Версия для печати
Дата публикации 15.02.2007гг
Created/Updated: 25.05.2018
|



