| Начало раздела Производственные, любительские Радиолюбительские Авиамодельные, ракетомодельные Полезные, занимательные | Хитрости мастеру Электроника Физика Технологии Изобретения | Тайны космоса Тайны Земли Тайны Океана Хитрости Карта раздела | |
| Использование материалов сайта разрешается при условии ссылки (для сайтов - гиперссылки) | |||
Навигация: => | На главную/ Каталог патентов/ В раздел каталога/ Назад / |
|
ИЗОБРЕТЕНИЕ
Патент Российской Федерации RU2245598
![]()
СПОСОБ И УСТРОЙСТВО ДЛЯ ПЕРЕДАЧИ ЭЛЕКТРИЧЕСКОЙ ЭНЕРГИИ
Имя изобретателя: Стребков Д.С. (RU)
Имя патентообладателя: Стребков Дмитрий Семенович (RU); Государственное научное учреждение Всероссийский научно-исследовательский институт электрификации сельского хозяйства (ГНУ ВИЭСХ)
Адрес для переписки: 109456, Москва, 1-й Вешняковский пр-д, 2, ВИЭСХ, ОНТИ и патентования, О.В. Голубевой
Дата начала действия патента: 2003.07.11
Использование: для передачи электрической энергии стационарным и мобильным потребителям электроэнергии. Технический результат заключается в повышении эффективности, снижении потерь и повышении надежности передачи электрической энергии. В способе передачи электрической энергии с использованием генератора переменного напряжения путем передачи напряжения от генератора на низковольтную обмотку высокочастотного трансформатора Тесла, соединения одного из выводов высоковольтной обмотки этого преобразователя с одной из выходных клемм питаемого электрического устройства и установления резонансных колебаний в электрической цепи высокочастотное переменное напряжение и ток высоковольтной обмотки повышающего трансформатора Тесла выпрямляют путем присоединения внутреннего вывода высоковольтной обмотки повышающего трансформатора Тесла к высокочастотному диоду и передают выпрямленное напряжение и ток по однопроводной линии к питаемому электротехническому устройству. В другом варианте способа передачи электрической энергии высокочастотное переменное напряжение высоковольтной обмотки повышающего трансформатора Тесла выпрямляют путем присоединения внутреннего вывода высоковольтной обмотки трансформатора Тесла к диодно-конденсаторному блоку удвоения напряжения и передают выпрямленное напряжение и ток по двухпроводной линии к питаемому электротехническому устройству.
ОПИСАНИЕ ИЗОБРЕТЕНИЯ
Изобретение относится к способу и устройству для передачи электрической энергии стационарным и мобильным потребителям электроэнергии.
Известны способ и устройство для преобразования и передачи электрической энергии по однопроводной линии на большое расстояние, разработанные Н.Тесла в 1897 году. Согласно изобретению Н.Тесла устройство состоит из двух трансформаторов, один для повышения, а другой для уменьшения потенциала тока, указанные трансформаторы имеют вывод обмотки с проводом большой длины, соединенный с линией, и другой вывод этой обмотки, примыкающий к обмотке из провода более короткой длины, соединен электрически с ней и с землей.
Повышающий трансформатор имеет первичную обмотку, соединенную с электрическим генератором повышенной частоты. Первичная обмотка намотана на вторичную высоковольтную обмотку, длина провода которой значительно больше длины первичной обмотки и приблизительно равна четверти длины волны электромагнитного поля а линии. В этом случае потенциал одного внутреннего вывода высоковольтной обмотки равен нулю, а потенциал другого наружного вывода будет максимальный. Внутренний конец высоковольтной вторичной обмотки соединен с линией передачи электрической энергии, а наружный конец вторичной обмотки и прилегающий вывод первичной обмотки в целях электробезопасности соединен с землей. Понижающий трансформатор выполнен аналогично. Выводы низковольтной обмотки соединены с электрической нагрузкой в виде ламп накаливания и электродвигателей. Однопроводная линия электропередач имеет длинные изоляторы на опорах для снижения потерь на утечку тока (Н.Тесла. Электрический трансформатор. Пат. США № 593138 от 02.11.1897 г.).
Недостатком известных способа и устройства является невозможность его использования для передачи электрической энергии по подземному или подводному кабелю из-за потерь электрической высокочастотной энергии в окружающей среде.
Другим недостатком известных способа и устройства являются потери мощности из-за утечки тока на высокой частоте через изоляторы и окружающее пространство при наличии атмосферных осадков.
Известны способ и устройство для передачи электрической энергии по высоковольтной линии постоянного тока. В известном способе напряжение и ток генератора электрической энергии выпрямляют и передают по кабельной или воздушной линии постоянного тока потребителю, у потребителя производят преобразование постоянного тока в переменный промышленной частоты с помощью инвертора.
Недостатком известных способа и устройства являются большие потери энергии на сопротивлении линии и большой расход проводникового материала. В кабельной линии постоянного тока между Грецией и Италией длиной 163 км при передаваемой мощности 500 МВт и напряжении 400 кВ сечение проводника из меди составляет 1250 м2 при плотности тока 1 А/мм2и потерях мощности в линии 11 МВт (Power Engineering, 2002, v.10, № 10, р.25, 27).
Наиболее близким по технической сущности к предлагаемому изобретению является способ питания электротехнических устройств с использованием генератора переменного напряжения, подключаемого к потребителю, в котором напряжение генератора подают на низковольтную обмотку высокочастотного трансформаторного преобразователя, а один из выводов высоковольтной обмотки соединяют с одной из входных клемм электротехнического устройства, при этом изменением частоты генератора добиваются установления резонансных колебаний в образованной электрической цепи.
Устройство, реализующее данный способ, представляет собой источник переменного напряжения с регулируемой частотой, высокочастотный трансформатор, один вывод высоковольтной секции которого изолирован, а второй предназначен для подачи энергии потребителю (Авраменко С.В., Способ питания электротехнических устройств и устройство для его осуществления. Патент РФ № 2108649 от 11.04.1995).
Вместо понижающего трансформатора Тесла может быть использован диодно-конденсаторный блок, который используется в схемах удвоения напряжения и выполнен из двух встречно включенных диодов, соединенных с конденсатором, общая точка диодов соединена с источником питания (Электротехнический справочник. 1971 г., изд-во Энергия, т.1, стр.871). При подаче на диодно-конденсаторный блок переменного напряжения положительная волна переменного реактивного тока идет на одну обкладку конденсатора, а отрицательная - на другую обкладку. Конденсатор будет накапливать заряды, пока напряжение на его выводах не достигнет положительной и отрицательной амплитуды переменного напряжения на общей точке диодов, тогда диоды окажутся запертыми и заряд конденсатора прекратится. Так работает известная схема выпрямителя с удвоением напряжения.
Недостатком всех известных способов и устройств передачи электрической энергии является то, что они не позволяют обеспечить высокоэффективную передачу электрической энергии на большое расстояние по воздушной линии в дождливую погоду, а и по подземному или подводному кабелю из-за потерь высокочастотной энергии на сопротивлении линии и на рассеяние в окружающей проводящей среде.
Задачей предлагаемого изобретения является повышение эффективности, снижение потерь и повышение надежности передачи электрической энергии.
В результате использования предлагаемого изобретения появляется возможность передачи электрической энергии по изолированной однопроводной линии в проводящей среде с малыми джоулевыми потерями, а и передачи электроэнергии на транспортные средства через изолированные участки земли и воды.
Вышеуказанный технический результат достигается тем, что в способе передачи электрической энергии с использованием генератора переменного напряжения путем передачи напряжения от генератора на низковольтную обмотку высокочастотного трансформатора Тесла, соединения одного из выводов высоковольтной обмотки этого преобразователя с одной из выходных клемм питаемого электрического устройства и установления резонансных колебаний в электрической цепи, высокочастотное переменное напряжение и ток высоковольтной обмотки повышающего трансформатора Тесла выпрямляют путем присоединения внутреннего вывода высоковольтной обмотки повышающего трансформатора Тесла к высокочастотному диоду и передают выпрямленное напряжение и ток по однопроводной линии к питаемому электротехническому устройству.
В другом варианте способа передачи электрической энергии с использованием генератора переменного напряжения путем передачи напряжения от генератора на низковольтную обмотку высокочастотного трансформатора Тесла, соединения одного из выводов высоковольтной обмотки этого преобразователя с одной из выходных клемм питаемого электрического устройства и установления резонансных колебаний в электрической цепи, высокочастотное переменное напряжение высоковольтной обмотки повышающего трансформатора Тесла выпрямляют путем присоединения внутреннего вывода высоковольтной обмотки трансформатора Тесла к диодно-конденсаторному блоку удвоения напряжения и передают выпрямленное напряжение и ток по двухпроводной линии к питаемому электротехническому устройству.
Еще в одном способе передачи электрической энергии резонансные колебания напряжения и тока с частотой f1 создают в резонансном контуре низковольтной обмотки повышающего трансформатора, а высокочастотное напряжение и ток высоковольтной обмотки повышающего трансформатора выпрямляют путем присоединения одного из выводов высоковольтной обмотки повышающего трансформатора к высокочастотному диоду и передают пульсирующий ток и напряжение с полуволной напряжения и тока одинаковой полярности по однопроводной линии к понижающему трансформатору, создают в резонансном контуре низковольтной обмотки понижающего трансформатора резонансные колебания с частотой f 2, которая связана с частотой f1 соотношением f1=f2, выпрямляют низковольтное напряжение и ток путем присоединения выводов резонансного контура низковольтной обмотки понижающего трансформатора к двум входам однофазного мостового выпрямителя, а выпрямленный постоянный ток и напряжение в однопроводной линии передают в нагрузку путем присоединения свободного вывода высоковольтной обмотки понижающего трансформатора к одному из входов второго однофазного мостового выпрямителя, к другому входу которого подключена естественная емкость в виде земли или изолированного проводящего тела, и соединения с нагрузкой и конденсатором нагрузки выходов обоих однофазных выпрямителей.
Во всех вариантах способа передачу электрической энергии по однопроводной линии осуществляют при максимальной плотности пульсирующего тока 5-50 А/мм2 и максимальном пульсирующем напряжении 500 кВ-3000 кВ, а в качестве материала однопроводной линии используют сталь, медь, алюминий и их сочетания в виде биметаллов и сплавов, а и неметаллические проводящие среды в виде изолированных протяженных участков влажной земли, воды, углеродных волокон, тонких проводящих пленок металлов и их окислов, проводящие каналы в атмосфере, которые создают ионизацией молекул воздуха лазерным и микроволновым излучением, и релятивистские пучки электронов высоких энергий за пределами атмосферы.
В устройстве для передачи электрической энергии, содержащем высокочастотный генератор, повышающий и понижающий высокочастотные трансформаторы Тесла, соединенные между собой однопроводной линией, конденсатор и нагрузку, подключенную к низковольтной обмотке через однофазный мостовой выпрямитель, первичная обмотка повышающего трансформатора Тесла с контурным конденсатором C1 образует резонансный контур, вторичная низковольтная обмотка понижающего трансформатора Тесла с контурным конденсатором С2 образует резонансный контур, параметры контуров связаны соотношением L1. · C1=L2.· C2, где L1 и C1и L2 и С2 - индуктивность и емкость контуров, прилегающий к выводу первичной обмотки вывод высоковольтной обмотки повышающего трансформатора соединен с Землей, а другой внутренний вывод высоковольтной обмотки соединен с однопроводной линией через высокочастотный диод, параллельно конденсатору и нагрузке подключены выходы второго однофазного выпрямителя, к двум входам которого подключены наружный вывод высоковольтной обмотки понижающего трансформатора Тесла и естественная емкость в виде земли или изолированного проводящего тела.
В устройстве для передачи электрической энергии, содержащем генератор переменного напряжения, высокочастотный резонансный трансформатор Тесла, первичная обмотка которого подключена к генератору переменного напряжения через преобразователь частоты, и линию передачи электрической энергии, внутренний неизолированный вывод высоковольтной обмотки повышающего трансформатора Тесла соединен с диодно-конденсаторным блоком удвоения напряжения, а линия передачи выполнена двухпроводной на постоянном токе и снабжена на конце у потребителя конденсаторным блоком, к клеммам которого присоединено через инвертор питаемое электротехническое устройство.
В устройстве для передачи электрической энергии, содержащем генератор переменного напряжения, высокочастотный резонансный трансформатор Тесла, первичная обмотка которого подключена к генератору переменного напряжения через преобразователь частоты и линию передачи электрической энергии, генератор электрической энергии, выполнен трехфазным на повышенной частоте f0 =50 Гц-500 кГц, три вывода генератора соединены через три резонансных контура с частотой f0 по схеме “звезда” с тремя повышающими трансформаторами Тесла, у которых три низкопотенциальных вывода высоковольтных обмоток соединены с Землей, а три высокопотенциальных вывода высоковольтных обмоток трансформаторов Тесла соединены с входами трехфазного мостового выпрямителя, выводы выпрямителя соединены с двухпроводной линией передачи электрической энергии, концы линии присоединены к двум входам трехфазного мостового выпрямителя, а к двум выводам выпрямителя подключены конденсаторный блок, преобразователь постоянного напряжения в переменный, понижающий трансформатор и нагрузка, а к третьему входу трехфазного мостового выпрямителя присоединена естественная емкость в виде земли и изолированного проводящего тела.
В устройстве для передачи электрической энергии, содержащем генератор переменного напряжения, высокочастотный резонансный трансформатор Тесла, первичная обмотка которого подключена к генератору переменного напряжения через преобразователь частоты и линию передачи электрической энергии, генератор выполнен трехфазным с частотой f0=50 Гц-500 кГц, выводы генератора соединены через три резонансных контура с частотой f0 по схеме треугольника с тремя повышающими трансформаторами Тесла, у которых высоковольтные обмотки соединены с входами трехфазного мостового выпрямителя, выводы выпрямителя соединены с двумя однопроводными линиями передачи электрической энергии, каждая из двух линий соединена у потребителя с высокопотенциальным выводом высоковольтной обмотки понижающего трансформатора Тесла, низковольтная обмотка каждого трансформатора Тесла соединена через резонансный контур с однофазным мостовым выпрямителем, выходы двух однофазных мостовых выпрямителей соединены с конденсаторным блоком, нагрузкой и с выводами трехфазного мостового выпрямителя, к двум входам которого присоединены низкопотенциальные выводы высоковольтных обмоток двух понижающих трансформаторов Тесла, а к третьему входу присоединена естественная емкость в виде земли или изолированного проводящего тела.
В устройстве для передачи электрической энергии низкопотенциальный вывод высоковольтной обмотки каждого понижающего трансформатора Тесла соединен с прилегающим выводом низковольтной обмотки, а выходы двух однофазных мостовых выпрямителей соединены с конденсаторным блоком, нагрузкой и выводами схемы удвоения напряжения, ко входу которой присоединена естественная емкость в виде земли или изолированного проводящего тела.
В другом варианте устройства для передачи электрической энергии нагрузка подключена к выводам выпрямителей через преобразователь постоянного тока в переменный и трансформатор напряжения промышленной частоты.
В устройстве для передачи электрической энергии каждая однопроводная линия передачи выполнена на постоянном токе из электроизолированного проводящего материала малого сечения, а в качестве проводника использованы металлические и неметаллические проводящие среды, как сталь, медь, алюминий, углеродное волокно, вода, влажные тонкие проводящие пленки металлов и их окислов, проводящие каналы в атмосфере, созданные лазерным и микроволновым излучением, и релятивистские пучки энергии высоких энергий за пределами атмосферы.
Сущность предлагаемых способа и устройства для передачи электрической энергии поясняется на чертежах.
![]() | ![]() |
На фиг.1 представлена общая схема способа и устройства для передачи электрической энергии линии на выпрямленном токе с использованием емкостного накопителя в конце линии.
На фиг.2 - схема способа для передачи электрической энергии по однопроводной линии с выпрямлением положительной полуволны тока и напряжения с использованием трехфазного выпрямителя.
![]() | ![]() |
На фиг.3 - схема способа передачи электрической энергии по однопроводной линии с использованием двух резонансных контуров и двух трансформаторов Тесла в начале и в конце линии.
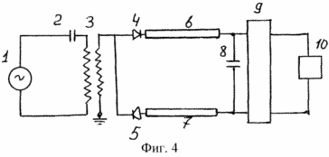
На фиг.4 - электрическая схема устройства для передачи положительной и отрицательной полуволны тока и напряжения по двум однопроводным линиям, в котором обе линии соединены у потребителя с емкостным накопителем и через электронный ключ c нагрузкой.
![]() | ![]() |
На фиг.5 - электрическая схема устройства для передачи электрической энергии с выпрямлением тока и напряжения по двум однопроводным линиям, по одной из которых передают положительную полуволну тока и напряжения, а по другой однопроводной линии - отрицательную полуволну тока и напряжения, обе линии имеют общее устройство согласования с нагрузкой.
На фиг.6 - электрическая схема устройства для передачи электрической энергии по однопроводной линии с использованием положительной полуволны тока и напряжения и однофазного выпрямителя для согласования с нагрузкой.
![]() | ![]() |
На фиг.7 - электрическая схема устройства для передачи электрической энергии по однопроводной линии с использованием отрицательной полуволны тока и напряжения.
На фиг.8 - электрическая схема устройства для передачи электрической энергии по однопроводной линии с использованием положительной полуволны напряжения и тока и двух резонансных контуров с трансформаторами Тесла в начале и в конце линии и двумя однофазными мостовыми выпрямителями на выходе понижающего трансформатора Тесла.
![]() | ![]() |
На фиг.9 - электрическая схема устройства для передачи электрической энергии по однопроводной линии с использованием положительной волны тока и напряжения и двух резонансных контуров и трансформаторов Тесла в начале и в конце линии.
На фиг.10 - электрическая схема устройства для передачи электрической энергии по двум независимым однопроводным линиям с использованием трансформатора Тесла и резонансным контуром в начале линии и резонансным контуром и трансформатором Тесла в конце каждой из двух однопроводных линий, обе линии имеют общее устройство согласования с нагрузкой.
![]() | ![]() |
На фиг.11 - электрическая схема устройства передачи электрической энергии с использованием трехфазного генератора электрической энергии, трех высокочастотных трансформаторов Тесла, соединенных по схеме “звезда”, и трехфазного мостового выпрямителя.
На фиг.12 - электрическая схема устройства передачи электрической энергии от трехфазного генератора электрической энергии с использованием трех повышающих трансформаторов Тесла, соединенных по схеме треугольника.
![]() | На фиг.13 - распределение волн тока и напряжения в однопроводных линиях. Согласно фиг.1 электрическую энергию от генератора 1 с резонансной частотой f0=50 Гц... 500 кГц направляют в резонансный контур 2, повышают напряжение и сдвигают фазовый угол между волной напряжения и тока до 90° в повышающем трансформаторе Тесла 3, выпрямляют ток и напряжение на выходе трансформатора 3 с помощью выпрямляющих диодов 4 и 5, передают выпрямленный ток и напряжение по двум однопроводным линиям, линиям 6 и 7 электрической энергии, на емкостный накопитель электрической энергии 8 и через электронный ключ 9 на нагрузку 10. Для питания нагрузки 10 переменным током электрическую энергию постоянного тока после емкостного накопителя 8 преобразуют в переменный ток промышленной частоты в инверторе 11, изменяют напряжение в трансформаторе 12 и передают в нагрузку 10. |
Согласно фиг.2 выпрямленное пульсирующее напряжение и ток после диодов 4 и 5 передают по двум однопроводным линиям 6 и 7 на трехфазный мостовой выпрямитель 13, на емкостный накопитель 8 и нагрузку 10 и через третью ветвь 14 выпрямителя и вход 15 выпрямителя 13 на естественную емкость 16 в виде земли или изолированного проводящего тела.
На фиг.3 в другом варианте способа передачи электрической энергии выпрямленный ток и напряжение в виде положительных и/или отрицательных полуволн напряжения и тока с фазовым углом между током и напряжением 90° передают по линии 6 через понижающий трансформатор Тесла 17 на резонансный контур 18 и затем на выпрямитель 19, нагрузку 10 и емкостный накопитель 8.
Для передачи постоянной компоненты тока и напряжения в нагрузку 10 низкопотенциальный вывод 20 высоковольтной обмотки 21 понижающего трансформатора Тесла 17 соединяют через вход выпрямителя 22, емкостный накопитель 8 и нагрузку 10, вторую ветвь выпрямителя 23 соединяют с естественной емкостью 16 в виде земли или изолированного проводящего тела.
Согласно фиг.3 генератор высокочастотных колебаний 1 с частотой f0 =50 Гц-500 кГц передает энергию резонансному контуру 2. Резонансный контур 2 состоит из емкости С0и индуктивности L 0,
причем ![]()
индуктивность L0 полностью или частично образована низковольтной обмоткой 16 повышающего трансформатора Тесла 3.
Высокое напряжение на высокопотенциальном выводе 17 высоковольтной обмотки 18 трансформатора Тесла 3 выпрямляют путем соединения вывода 17 высоковольтной обмотки 18 трансформатора Тесла 3 с выпрямляющим диодом 4.
На фиг.4 электрическая энергия вырабатывается генератором высокочастотных колебаний 1 и поступает на выпрямляющие диоды 4 и 5 от повышающего трансформатора Тесла 3 через резонансный контур 2. Электрическую энергию передают на выпрямленном токе и напряжении с использованием диодов 4 и 5 и двух независимых однопроводных линий 6 и 7. По линии 6 через диод 4 передают положительную полуволну тока и напряжения, а по линии 7 через диод 5 передают отрицательную полуволну тока и напряжения. Концы однопроводных линий 6 и 7 присоединены к емкостному накопителю 8, к которому через электронный ключ 9 подключена нагрузка 10.
На фиг.5 концы однопроводных линий 6 и 7 присоединены к двум входам 23 и 24 трехфазного мостового выпрямителя 13, а к третьему входу 15 выпрямителя 13 присоединена естественная емкость 16 в виде земли или изолированного проводящего тела. Нагрузка 10 и емкость присоединены к выходу 25 трехфазного мостового выпрямителя 13.
На фиг.6 электрическую энергию в виде положительной полуволны тока и напряжения через диод 4 передают по однопроводной линии 6 в нагрузку 10 путем присоединения линии 6 ко входу 26 одной из ветвей 27 однофазного мостового выпрямителя 28, присоединения к входу 29 другой ветви 30 однофазного мостового выпрямителя 28 естественной емкости 16 в виде земли или изолированного проводящего тела и соединения выводов обоих ветвей 27 и 30 однофазного мостового выпрямителя 28 к нагрузке 10 и емкости 8.
На фиг.7 по однопроводной линии 7 передают выпрямленную диодом 5 отрицательную полуволну тока и напряжения.
На фиг.8 электрическую энергию на выпрямленном токе в виде положительной волны тока и напряжения передают по однопроводной линии 6 через диод 4 повышающего трансформатора Тесла 3 в начале линии 6 к понижающему трансформатору Тесла 17 в конце линии 6. Резонансный контур 18 понижающего трансформатора 17 подключен к двум входам 31 и 32 однофазного мостового выпрямителя 19, низкопотенциальный вывод 20 высоковольтной обмотки 21 присоединен к одному входу 33 второго однофазного мостового выпрямителя 22, а ко второму входу 34 второго выпрямителя 22 подключена естественная емкость 16 в виде земли или изолированного проводящего тела. Выходы первого 19 и второго 22 выпрямителей присоединены к нагрузке 10 и емкости 8.
В устройстве для передачи электрической энергии на фиг.9 вместо двух однофазных выпрямителей 27 и 31 используется один трехфазный выпрямитель 35, к входам которого 36, 37, 38 аналогично фиг.8 подключены резонансный контур 18 понижающего трансформатора 17 и низкопотенциальный вывод 20 высоковольтной обмотки 21. Нагрузка 10 и емкость 8 разделены на две равные части 39 и 40, и их средние точки 41 соединены между собой и с естественной емкостью 16.
На фиг.10 для передачи электрической энергии используют две независимые однопроводные линии. Конец первой однопроводной линии 6 соединен с высоковольтным выводом 41 высоковольтной обмотки 21 понижающего трансформатора Тесла 17. Низковольтная обмотка 42 понижающего трансформатора Тесла 17 с емкостью <С 0 образует резонансный контур 18, выводы которого соединены с входами 31 и 32 первого однофазного мостового выпрямителя 19.
Конец второй однопроводной линии 7 соединен с высоковольтным выводом 42 высоковольтной обмотки 43 понижающего трансформатора Тесла 44. Низковольтная обмотка 45 понижающего трансформатора Тесла 44 через емкость C1 соединена с входами 46 и 49 второго однофазного выпрямителя 50. Выводы 51 и 52 первого и второго однофазных выпрямителей 19 и 50 соединены с нагрузкой 10 и с выводами 53 и 54 трехфазного мостового выпрямителя 55. К одному входу 56 присоединена естественная емкость 16 в виде земли или изолированного проводящего тела, а к двум другим входам 57 и 58 выпрямителя 55 присоединены низкопотенциальные выводы 20 и 59 высоковольтных обмоток 21 и 43 понижающих трансформаторов Тесла 17 и 44.
На фиг.11 источником электрической энергии является трехфазный электрический генератор 59, который соединен с тремя резонансными контурами 60, 61, 62 и с тремя однофазными повышающими трансформаторами Тесла 63, 64, 65. Высокопотенциальные выводы 66, 67, 68 высоковольтных обмоток 69, 70, 71 трансформаторов Тесла 63, 64, 65 присоединены к трем входам 72, 73, 74 трехфазного мостового выпрямителя 75. Низкопотенциальные выводы 76, 77, 78 высоковольтных обмоток 69, 70, 71 соединены с землей 80. Электрическую энергию передают на выпрямленном токе и напряжении по двум однопроводным линиям. В конце линий 6 и 7 установлены емкостный накопитель 8, преобразователь постоянного тока в переменный промышленной частоты 11, понижающий трансформатор 12 и нагрузка 10.
В случае независимого использования однопроводной линии на конце линии устанавливают преобразующие устройства, показанные на фиг.5, 6, 7, 8.
На фиг.12 представлена электрическая схема устройства передачи электрической энергии, в которой используется трехфазный электрический генератор 59 повышенной частоты f0=50 Гц-500 кГц. Выводы генератора 59 соединены по схеме треугольника с низковольтными обмотками трех однофазных высокочастотных трансформаторов 63, 64 и 65. Высоковольтные выводы 66, 67, 68 высоковольтных обмоток соединены с входами 72, 73 и 74 трехфазного высокочастотного выпрямителя 75. Низкопотенциальные выводы высоковольтных обмоток соединены с землей 80.
Электрическую энергию передают по двум однопроводным линиям в нагрузку 10 через конденсаторный блок 8, преобразователь постоянного тока в переменный 11 и трансформатор промышленной частоты 12.
В другом варианте устройства в конце линий 6 и 7 могут быть установлены два понижающих трансформатора Тесла 17, 44 и устройства согласования с нагрузкой в соответствии с фиг.10.
На фиг.13 показано распределение волн тока и напряжения в линиях 6 и 7 при наличии выпрямляющих высокочастотных диодов 4 и 5 в начале линий.
В линии 6 с диодом положительной полярности на участке (
) волна тока отсутствует. В линии 7 волна тока отсутствует на участке (
). На участках линии, где отсутствует волна тока, магнитное поле и вектор Пойнтинга
равны нулю и передача электрической энергии в проводнике происходит за счет
перемещения свободных поверхностных зарядов под действием кулонова поля.
УСТРОЙСТВО ДЛЯ ПЕРЕДАЧИ ЭЛЕКТРИЧЕСКОЙ ЭНЕРГИИ РАБОТАЕТ СЛЕДУЮЩИМ ОБРАЗОМ
Однопроводная линия 6, 7 является одиночным волноводом, вдоль которого движется электромагнитная энергия. Электрическая энергия заключена в электрическом поле линии, которое создается зарядами. Магнитная энергия заключена в магнитном поле, которое создается токами. Электрическое поле распределено вдоль линии так же, как напряжение, а магнитное поле вблизи проводника совпадает по фазе с током.
Напряжение на выходе повышающего четвертьволнового трансформатора Тесла 2 изменяется по синусоидальному закону и отстает по фазе от тока на четверть периода от тока, который изменяется по косинусоидальному закону. На высокопотенциальном выводе 66 (фиг.11) повышающего трансформатора Тесла 63, имеющего длину высоковольтной обмотки 69, равную одной четвертой длины волны, напряжение максимально, т.е. мы имеем пучность напряжения и узел (нулевое значение тока). Низкопотенциальный вывод 76 (фиг.11) или 20 (фиг.9) имеет узел напряжения и пучность тока.
В обычных двух- или трехпроводных линиях при передаче активной мощности
распределение в линии электрического поля подобно распределению плотности тока. В
этом случае возбуждающее поле сторонних ЭДС Ест полностью уравновешивается
сопротивлением среды
, J - ток,
-
проводимость линии, R - сопротивление линии. Индуцирование поверхностных зарядов не
происходит, и энергия линии заключена в магнитном поле линии.
В двух-трехпроводной линии переменного тока при передаче активной мощности и совпадении фаз тока и напряжения величина вектора Пойнтинга положительна по всей длине линии, что соответствует переносу энергии из воздуха в провод для увеличения энергии магнитного поля и выделения теплоты в проводе. Нормальная составляющая вектора Пойнтинга Sn направлена внутрь провода и равна:
![]()
I - ток, R - сопротивление линии, r, l - радиус и длина проводника линии.
В однопроводной линии распределение электрического поля отличается от распределения плотности тока, при этом в проводнике линии возникает поверхностный заряд и кулоново электрическое поле поверхностных зарядов Eq.
Благодаря наличию волны напряжения и свободных зарядов, генерируемых повышающим трансформатором Тесла, ток в линии обусловлен кулоновым возбуждающим полем, т.е. имеет место электростатический механизм переноса зарядов без джоулевых потерь в проводнике линии. Колебания свободных зарядов приводят к появлению тока смещения в пространстве, окружающем проводник. Токи смещения не создают джоулевых потерь в проводнике линии. Кулоновое поле создает ту часть тока в линии, которая обеспечивает перенос зарядов вдоль линии и замыкает ток смещения (Сотников В.В. Источники кулонова поля в металлических проводниках и их влияние на электрический ток. Известия РАН. Энергетика, 2002, № 1, стр.104-111).
В однопроводной линии переменного тока в течение четверти периода изменения напряжения и тока на протяжении длины линии, равной четверти длины волны, величина вектора Пойнтинга положительна, а в течение следующей четверти периода на протяжении длины линии, равной следующей четверти длины волны, величина вектора Пойнтинга отрицательна, что соответствует передаче электромагнитной энергии в пространство, окружающее проводник линии. Колебания электромагнитной энергии с периодом изменения, равным одной четвертой периода и соответствующей длине линии, равной одной четвертой длине волны тока и напряжения, можно рассматривать как результат наличия реактивного сопротивления линии.
Пульсирующее выпрямленное напряжение положительной полярности в линии 6 описывается уравнением

Таким образом, волну пульсирующего выпрямленного напряжения положительной полярности можно представлять как сумму постоянной величины и основной гармоники I/2 sinx, из которых вычитаются косинусы высших четных гармоник. Аналогично можно разложить в ряд Фурье положительную полуволну тока:

Резонансный режим передачи электрической энергии с частотой основной гармоники позволяет выделить эту гармонику и использовать для передачи электрической энергии.
Переменная составляющая тока и напряжения основной гармоники выделяется в резонансном контуре 18 понижающего трансформатора 17, который позволяет снизить высокое напряжение линии 6 до значения, используемого в нагрузке 10.
Аналогично работает линия 7, по которой передается отрицательная полуволна тока и напряжения. В отличие от двух-трехпроводной линии переменного тока, в линиях 6 и 7 сохраняется фазовый угол 90° между полуволнами тока и напряжения, а угол между векторами напряжения в начале и в конце линии равен нулю. Постоянная составляющая тока поступает через низкопотенциальный вывод 20 (фиг.6) высоковольтной обмотки 21 понижающего трансформатора Тесла 17 через вход 33 мостового выпрямителя 35 через нагрузку 10 и выпрямитель 22 на естественную емкость 8.
ПРИМЕР ВЫПОЛНЕНИЯ СПОСОБА И УСТРОЙСТВА ДЛЯ ПЕРЕДАЧИ ЭЛЕКТРИЧЕСКОЙ ЭНЕРГИИ
Передачу осуществляют на частоте 1 кГц с длиной волны 300 км. В качестве трансформаторов Тесла 3 используют бессердечниковые трансформаторы диаметром 3 м, высотой 0,5 м. Число витков высоковольтной обмотки равно 5000, низковольтной обмотки - 50 витков, длина линии 1200 км. Электрическая мощность линии 10 МВт, напряжение 35 кВ. Диаметр однопроводной кабельной линии 6 из меди 6 мм. В качестве изоляции используется сшитый полиэтилен. Плотность пульсирующего тока составляет 10 А/мм2. На выходе повышающего трансформатора Тесла 3 установлены высоковольтный блок выпрямителя на основе высокочастотных диодов 4 и 5. На выходе линии 6 используют блок высокочастотных конденсаторов 8, высоковольтный диодный блок 13 и транзисторный преобразователь частоты 11 на основе полевых транзисторов с изолированным затвором напряжением 35 кВ и электрической мощностью 1 МВт.
Без изменения существа изобретения генераторы 1 и 59 высокой частоты 50 Гц-500 кГц можно заменить на электромашинные или статические преобразователи высокой частоты, преобразующие постоянный ток или ток и напряжение промышленной частоты в токи и напряжения частотой 50 Гц-500 кГц.
Замена переменного тока на выпрямленный ток, пульсирующий в течение половины периода на протяжении половины длины волны линии, снижает емкость линии и потери на излучение и позволяет передавать электрическую энергию по длинным воздушным, подземным и подводным кабельным линиям электропередачи с максимальной плотностью тока 5-50 А/мм 2и максимальным напряжением 500 кВ-3000 кВ. Наличие кулоновых возбуждающих полей и токов свободных зарядов на части проводника линии уменьшает джоулевые потери и позволяет уменьшить сечение проводника линии в 5-10 раз, сократить расход цветных металлов в 10 раз и использовать в качестве материала линии неметаллические проводящие среды, такие как углеродные и проводящие полимерные волокна, изолированные металлические трубопроводы для передачи газа, воды, нефти, пара, а и участки земной суши, морей и океанов. В атмосфере земли и других планет в качестве однопроводной линии электропередач используют проводящие каналы, которые создают ионизацией ионов воздуха лазерным или микроволновым излучением. За пределами атмосферы в вакууме в качестве однопроводной линии используют релятивистские пучки электронов высоких энергий. Длина линии электропередач может составлять десять и более тысяч километров на поверхности земли и сотни тысяч километров в космическом пространстве при использовании электронных пучков в качестве линий электропередач.
ФОРМУЛА ИЗОБРЕТЕНИЯ
1. Способ передачи электрической энергии с использованием генератора переменного напряжения путем передачи напряжения от генератора на низковольтную обмотку высокочастотного трансформатора Тесла, соединения одного из выводов высоковольтной обмотки этого преобразователя с одной из выходных клемм питаемого электрического устройства и установления резонансных колебаний в электрической цепи, отличающийся тем, что высокочастотное переменное напряжение и ток высоковольтной обмотки повышающего трансформатора Тесла выпрямляют путем присоединения внутреннего вывода высоковольтной обмотки повышающего трансформатора Тесла к высокочастотному диоду и передают выпрямленное напряжение и ток по однопроводной линии к питаемому электротехническому устройству.
2. Способ передачи электрической энергии по п.1, отличающийся тем, что передачу электрической энергии по однопроводной линии осуществляют при максимальной плотности пульсирующего тока 5÷ 50 А/мм 2 и максимальном пульсирующем напряжении 500 кВ/1500 кВ, а в качестве материала однопроводной линии используют сталь, медь, алюминий, их сочетания в виде биметаллов и сплавов, а и неметаллические проводящие среды в виде изолированных протяженных участков влажной земли, воды, углеродных волокон, тонких проводящих пленок металлов и их окислов, проводящие каналы в атмосфере, которые создают ионизацией молекул воздуха лазерным и микроволновым излучением, и релятивистcкие пучки электронов высоких энергий за пределами атмосферы.
3. Способ передачи электрической энергии с использованием генератора переменного напряжения путем передачи напряжения от генератора на низковольтную обмотку высокочастотного трансформатора Тесла, соединения одного из выводов высоковольтной обмотки этого преобразователя с одной из выходных клемм питаемого электрического устройства и установления резонансных колебаний в электрической цепи, отличающийся тем, что высокочастотное переменное напряжение и ток высоковольтной обмотки повышающего трансформатора Тесла выпрямляют путем присоединения внутреннего вывода высоковольтной обмотки трансформатора Тесла к диодно-конденсаторному блоку удвоения напряжения и передают выпрямленное напряжение и ток по двухпроводной линии к питаемому электротехническому устройству.
4. Способ передачи электрической энергии по п.3, отличающийся тем, что передачу электрической энергии по однопроводной линии осуществляют при максимальной плотности пульсирующего тока 5÷ 50 А/мм 2 и максимальном пульсирующем напряжении 500 кВ÷ 1500 кВ, а в качестве материала однопроводной линии используют сталь, медь, алюминий, их сочетания в виде биметаллов и сплавов, а и неметаллические проводящие среды в виде изолированных протяженных участков влажной земли, воды, углеродных волокон, тонких проводящих пленок металлов и их окислов, проводящие каналы в атмосфере, которые создают ионизацией молекул воздуха лазерным и микроволновым излучением, и релятивистcкие пучки электронов высоких энергий за пределами атмосферы.
5. Способ передачи электрической энергии с использованием генератора переменного напряжения путем передачи напряжения от генератора на низковольтную обмотку высокочастотного трансформатора Тесла, соединения одного из выводов высоковольтной обмотки этого преобразователя с одной из выходных клемм питаемого электрического устройства и установления резонансных колебаний в электрической цепи, отличающийся тем, что резонансные колебания напряжения и тока с частотой f 1 создают в резонансном контуре низковольтной обмотки повышающего трансформатора, а высокочастотное напряжение и ток высоковольтной обмотки повышающего трансформатора выпрямляют путем присоединения одного из выводов высоковольтной обмотки повышающего трансформатора к высокочастотному диоду и передают пульсирующий ток и напряжение с полуволной напряжения и тока одинаковой полярности по однопроводной линии к понижающему трансформатору, создают в резонансном контуре низковольтной обмотки понижающего трансформатора резонансные колебания с частотой f2, которая связана с частотой f1=f2, выпрямляют низковольтное напряжение и ток путем присоединения выводов резонансного контура низковольтной обмотки понижающего трансформатора к двум входам однофазного мостового выпрямителя, а выпрямленный постоянный ток и напряжение в однопроводной линии передают в нагрузку путем присоединения свободного вывода высоковольтной обмотки понижающего трансформатора к одному из входов второго однофазного мостового выпрямителя, к другому входу которого подключена естественная емкость в виде земли или изолированного проводящего тела, и соединения с нагрузкой и конденсатором нагрузки выходов обоих однофазных выпрямителей.
6. Способ передачи электрической энергии по п.5, отличающийся тем, что передачу электрической энергии по однопроводной линии осуществляют при максимальной плотности пульсирующего тока 5-50 А/мм2 и максимальном пульсирующем напряжении 500 кВ-1500 кВ, а в качестве материала однопроводной линии используют сталь, медь, алюминий их сочетания в виде биметаллов и сплавов, а и неметаллические проводящие среды в виде изолированных протяженных участков влажной земли, воды, углеродных волокон, тонких проводящих пленок металлов и их окислов, проводящие каналы в атмосфере, которые создают ионизацией молекул воздуха лазерным и микроволновым излучением, и релятивистcкие пучки электронов высоких энергий за пределами атмосферы.
7. Устройство для передачи электрической энергии, содержащее высокочастотный генератор, повышающий и понижающий высокочастотные трансформаторы Тесла, соединенные между собой однопроводной линией, конденсатор и нагрузку, подключенную к низковольтной обмотке через однофазный мостовой выпрямитель, отличающееся тем, что первичная обмотка повышающего трансформатора Тесла с контурным конденсатором С1образует резонансный контур, вторичная низковольтная обмотка понижающего трансформатора Тесла с контурным конденсатором С2 образует резонансный контур, параметры контуров связаны соотношением L1 · C1=L2· C2, где L1 и С1 и L2 и С2 - индуктивность и емкость контуров, прилегающий к выводу первичной обмотки вывод высоковольтной обмотки повышающего трансформатора соединен с землей, а другой внутренний вывод высоковольтной обмотки соединен с однопроводной линией через высокочастотный диод, на конце однопроводной линии параллельно конденсатору и нагрузке подключены выходы второго однофазного выпрямителя, к двум входам которого подключены наружный вывод высоковольтной обмотки понижающего трансформатора Тесла и естественная емкость в виде земли или изолированного проводящего тела.
8. Устройство для передачи электрической энергии по п.7, отличающееся тем, что каждая однопроводная линия передачи выполнена на постоянном токе из электроизолированного проводящего материала малого сечения, а в качестве проводника использованы металлические и неметаллические проводящие среды, как сталь, алюминий, медь, углеродное волокно, вода, влажная, тонкие проводящие пленки металлов и их окислов, проводящие каналы в атмосфере, созданные лазерным и микроволновым излучением и релятивистские пучки электронов высоких энергий за пределами атмосферы.
9. Устройство для передачи электрической энергии, содержащее генератор переменного напряжения, высокочастотный резонансный трансформатор Тесла, первичная обмотка которого подключена к генератору переменного напряжения через преобразователь частоты и линию передачи электрической энергии, отличающееся тем, что внутренний вывод высоковольтной обмотки повышающего трансформатора Тесла соединен с диодно-конденсаторным блоком удвоения напряжения, а линия передачи выполнена двухпроводной на постоянном токе и снабжена на конце у потребителя конденсаторным блоком, к клеммам которого присоединено через электронный ключ или инвертор питаемое электротехническое устройство.
10. Устройство для передачи электрической энергии по п.9, отличающееся тем, что каждая однопроводная линия передачи выполнена на постоянном токе из электроизолированного проводящего материала малого сечения, а в качестве проводника использованы металлические и неметаллические проводящие среды, как сталь, алюминий, медь, углеродное волокно, вода, важная, тонкие проводящие пленки металлов и их окислов, проводящие каналы в атмосфере, созданные лазерным и микроволновым излучением и релятивистские пучки электронов высоких энергий за пределами атмосферы.
11. Устройство для передачи электрической энергии, содержащее генератор переменного напряжения, высокочастотный резонансный трансформатор Тесла, первичная обмотка которого подключена к генератору переменного напряжения через преобразователь частоты и линию передачи электрической энергии, отличающееся тем, что генератор электрической энергии выполнен трехфазным на повышенной частоте f0=50 Гц÷ 500 кГц, три вывода генератора соединены через три резонансных контура с частотой f0 с тремя повышающими трансформаторами Тесла, у которых три низкопотенциальных вывода высоковольтных обмоток соединены с Землей, а три высокопотенциальные вывода высоковольтных обмоток трансформаторов Тесла соединены с входами трехфазного мостового выпрямителя, выводы выпрямителя соединены с двухпроводной линией передачи электрической энергии, концы линии присоединены к двум входам трехфазного мостового выпрямителя, а к двум выводам выпрямителя подключены конденсаторный блок, преобразователь постоянного напряжения а переменный понижающий трансформатор и нагрузка, а к третьему входу трехфазного мостового выпрямителя присоединена естественная емкость в виде земли и изолированного проводящего тела.
12. Устройство для передачи электрической энергии по п.11, отличающееся тем, что повышающие высокочастотные трансформаторы Тесла соединены по схеме "треугольник", низкопотенциальный вывод высоковольтной обмотки каждого понижающего трансформатора Тесла соединен с прилегающим выводом низковольтной обмотки, а выходы двух однофазных мостовых выпрямителей соединены с конденсаторным блоком, нагрузкой и выводами схемы удвоения напряжения, ко входу которой присоединена естественная емкость в виде земли или изолированного проводящего тела.
13. Устройство для передачи электрической энергии по п.11, отличающееся тем, что нагрузка подключена к выводам выпрямителей через преобразователь постоянного тока в переменный и трансформатор напряжения промышленной частоты.
14. Устройство для передачи электрической энергии по п.11 или 12, отличающееся тем, что каждая однопроводная линия передачи выполнена на постоянном токе из электроизолированного проводящего материала малого сечения, а в качестве проводника использованы металлические и неметаллические проводящие среды, как сталь, алюминий, медь, углеродное волокно, вода, влажная, тонкие проводящие пленки металлов и их окислов, проводящие каналы в атмосфере, созданные лазерным и микроволновым излучением и релятивистские пучки электронов высоких энергий за пределами атмосферы.
15. Устройство для передачи электрической энергии, содержащее генератор переменного напряжения, высокочастотный резонансный трансформатор Тесла, первичная обмотка которого подключена к генератору переменного напряжения через преобразователь частоты и линию передачи электрической энергии, отличающееся тем, что генератор выполнен трехфазным с частотой f0=50 Гц÷ 500 кГц, выводы генератора соединены через три резонансных контура с частотой f0 по схеме "звезда" с тремя повышающими трансформаторами Тесла, у которых высоковольтные обмотки соединены с входами трехфазного мостового выпрямителя, выводы выпрямителя соединены с двумя однопроводными линиями передачи электрической энергии, каждая из двух линий соединена у потребителя с высокопотенциальным выводом высоковольтной обмотки понижающего трансформатора Тесла, низковольтная обмотка каждого трансформатора Тесла соединена через резонансный контур с однофазным мостовым выпрямителем, выходы двух однофазных мостовых выпрямителей соединены с конденсаторным блоком, нагрузкой и с выводами трехфазного мостового выпрямителя, к двум входам которого присоединены низкопотенциальные выводы высоковольтных обмоток двух понижающих трансформаторов Тесла, а к третьему входу присоединена естественная емкость в виде земли или изолированного проводящего тела.
16. Устройство для передачи электрической энергии по п.15, отличающееся тем, что нагрузка подключена к выводам выпрямителей через преобразователь постоянного тока в переменный и трансформатор напряжения промышленной частоты.
17. Устройство для передачи электрической энергии по п.15, отличающееся тем, что каждая однопроводная линия передачи выполнена на постоянном токе из электроизолированного проводящего материала малого сечения, а в качестве проводника использованы металлические и неметаллические проводящие среды, как сталь, алюминий, медь, углеродное волокно, вода, влажная, тонкие проводящие пленки металлов и их окислов, проводящие каналы в атмосфере, созданные лазерным и микроволновым излучением и релятивистские пучки электронов высоких энергий за пределами атмосферы.
Версия для печати
Дата публикации 17.02.2007гг
Created/Updated: 25.05.2018
|













