| Начало раздела Производственные, любительские Радиолюбительские Авиамодельные, ракетомодельные Полезные, занимательные | Хитрости мастеру Электроника Физика Технологии Изобретения | Тайны космоса Тайны Земли Тайны Океана Хитрости Карта раздела | |
| Использование материалов сайта разрешается при условии ссылки (для сайтов - гиперссылки) | |||
Навигация: => | На главную/ Каталог патентов/ В раздел каталога/ Назад / |
|
ИЗОБРЕТЕНИЕ
Патент Российской Федерации RU2279748
![]()
УСТРОЙСТВО ДЛЯ ЗАРЯДА НАКОПИТЕЛЬНОГО КОНДЕНСАТОРА
Имя изобретателя: Мещеряков Виктор Николаевич (RU); Коваль Алексей Анатольевич
Имя патентообладателя: ЛИПЕЦКИЙ ГОСУДАРСТВЕННЫЙ ТЕХНИЧЕСКИЙ УНИВЕРСИТЕТ (ЛГТУ)
Адрес для переписки: 398600, г.Липецк, ул. Московская, 30, ЛГТУ, НИС
Дата начала действия патента: 2005.03.09
Изобретение относится к импульсной технике и касается емкостных накопителей электрической энергии. Оно может быть использовано при осуществлении способов так называемого «медленного» заряда в течение нескольких периодов питающего напряжения, для заряда емкостных накопителей электрической энергии (ЕНЭЭ), генераторов мощных импульсов. Сущность изобретения заключается в том, что токоограничивающе-дозирующие элементы выполнены в виде катушек индуктивности, мостовой преобразователь выполнен в виде автономного инвертора напряжения на запираемых ключах, к выходам трехфазного источника питания дополнительно подключены входы трехфазного датчика сетевого напряжения, выходы которого подключены к одним входам блока управления, входы трехфазного мостового преобразователя дополнительно соединены с входами датчиков тока фаз, выходы которых соединены с другими входами блока управления, к выходу трехфазного мостового преобразователя подключен датчик напряжения емкостного накопителя, выход которого соединен с другим входом блока управления, к другому входу блока управления подключен выход блока задания величины напряжения накопителя, еще к одному входу блока управления подключен выход блока задания темпа заряда накопителя. В результате представленное устройство обеспечивает технический результат - высокую скорость заряда емкостного накопителя до напряжения превышающего амплитуду линейного напряжения сети на несколько порядков. Принципы построения системы управления позволяют реализовать в широком диапазоне плавное регулирование скорости заряда емкостного накопителя, при этом из сети потребляется ток практически синусоидальной формы, а использование индукторов вместо токоограничивающе-дозирующих конденсаторов повышает надежность устройства.
ОПИСАНИЕ ИЗОБРЕТЕНИЯ
Изобретение относится к импульсной технике и касается емкостных накопителей электрической энергии. Оно может быть использовано при осуществлении способов так называемого «медленного» заряда в течение нескольких периодов питающего напряжения, для заряда емкостных накопителей электрической энергии (ЕНЭЭ), генераторов мощных импульсов.
Известно устройство для заряда емкостного накопителя энергии, содержащее трехфазный источник переменного тока с тремя выводами, емкостный накопитель энергии, первый дозирующий конденсатор, второй дозирующий конденсатор, одна обкладка которого связана с первым выводом трехфазного источника переменного тока, зарядный тиристор, катод которого подключен к первому выводу емкостного накопителя, четыре вентиля, анод первого вентиля соединен с одной обкладкой первою дозирующего конденсатора, катод второго связан с третьим выводом трехфазного источника переменного тока, анод третьего подключен ко второму выводу трехфазного источника переменного тока и блок управления системой, первый, второй и третий выводы которого связаны с первым, вторым и третьим выводами соответственно трехфазного источника переменного тока, а четвертый и пятый его выводы с управляющим переходом зарядного тиристора, дополнительно снабженое линейным дросселем с двумя выводами и отводом от части витков его обмотки, первый вывод которого подключен к другой обкладке второго дозирующего конденсатора, второй вывод ко второму выводу емкостного накопителя, а отвод к аноду второго вентиля, в качестве первого, третьего и четвертого вентилей применены тиристоры, анод зарядного тиристора подключен к другой обкладке первого дозирующего конденсатора и к катоду третьего вентиля-тиристора, катод первого вентиля-тиристора связан со вторым выводом линейного дросселя, анод четвертого вентиля-тиристора соединен с третьим выводом трехфазного источника переменного тока, а его катод с анодом первого вентиля-тиристора, шестой и седьмой выводы блока управления системой подключены к управляющему переходу первого вентиля-тиристора, восьмой и девятый его выводы к управляющему переходу третьего вентиля-тиристора, десятый и одиннадцатый выводы к управляющему переходу четвертого вентиля-тиристора, двенадцатый и тринадцатый выводы к первому и второму выводам емкостного накопителя, а четырнадцатый и пятнадцатый выводы к одной и другой обкладкам второго дозирующего конденсатора [1].
Недостатки этого устройства заключаются в следующем: во-первых, оно обеспечивает заряд емкостного накопителя до сравнительно низкого напряжения (низкие удельные энергетические показатели); во-вторых, низкая скорость накопления энергии, а и отсутствие плавного регулирования в широком диапазоне скорости (темпа роста напряжения на обкладках накопительного конденсатора) заряда; в-третьих, потребление из сети тока с высоким коэффициентом несинусоидальности; в-четвертых, схемное решение устройства не позволяет создавать гибкую быстродействующую систему управления.
Наиболее близким по технической сущности к данному изобретению является устройство для заряда емкостного накопителя энергии, содержащее трехфазный источник переменного тока с тремя выходными клеммами, трехфазный двухполупериодный мостовой тиристорный выпрямитель с двумя выходными клеммами для подключения накопительного конденсатора и тремя входными клеммами, каждая из которых через токоограничивающе-дозирующий конденсатор подключена к выходным клеммам источника переменного тока и блоку контроля напряжения и фазового управления тиристорами мостового выпрямителя, снабжено дополнительным тиристором, а блок контроля напряжения и фазового управления тиристорами дополнительным выходом, который подключен к управляющему электроду, катоду тиристора и одной из входных клемм упомянутого выпрямителя, при этом положительная выходная клемма выпрямителя соединена с анодом этого тиристора [2].
Недостатки это устройства: во-первых, ограниченность применения в связи с тем, что оно обеспечивает заряд емкостного накопителя до напряжения, в 3 раза превышающего амплитуду линейного напряжения источника, что свидетельствует о низких удельных энергетических показателях (т.е. отношение мощности, энергии к массе устройства заряда); во-вторых, отсутствие плавного и в широком диапазоне регулирования скорости заряда емкостного накопителя; в-третьих, неудовлетворительная форма потребляемого из питающей сети тока; в-четвертых, наличие менее прихотливых в эксплуатации токоограничивающе-дозирующих конденсаторов.
Технический результат изобретения заключается в том, что, устройство для заряда накопительного конденсатора, содержащее трехфазный источник питания, выходы которого подключены к одним выводам трех токоограничивающе-дозирующих элементов, другие выводы которых подключены к входам трехфазного мостового преобразователя, выходы которого подключены к накопительному конденсатору, блок управления, выходы которого соединены с управляющими входами трехфазного мостового преобразователя, отличающееся тем, что, токоограничивающе-дозирующие элементы выполнены в виде катушек индуктивности, мостовой преобразователь выполнен в виде автономного инвертора напряжения на запираемых ключах, к выходам трехфазного источника питания дополнительно подключены входы трехфазного датчика сетевого напряжения, выходы которого подключены к одним входам блока управления, входы трехфазного мостового преобразователя дополнительно соединены со входами датчиков тока фаз, выходы которых соединены с другими входами блока управления, к выходу трехфазного мостового преобразователя подключен датчик напряжения емкостного накопителя, выход которого соединен с другим входом блока управления, к другому входу блока управления подключен выход блока задания величины напряжения накопителя, еще к одному входу блока управления подключен выход блока задания темпа заряда накопителя.
![]() | ![]() | ||
![]() | ![]() | ||
| |||
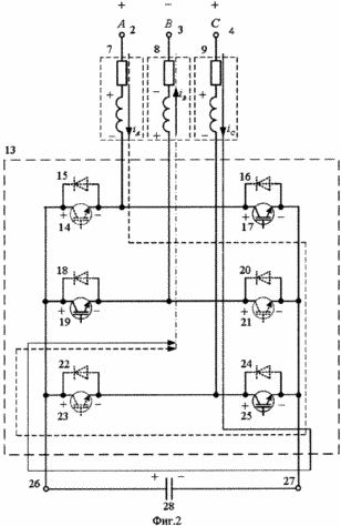
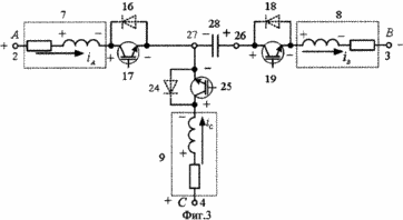
На фиг.1 приведена структурная схема устройства для заряда накопительного конденсатора; на фиг.2 - принципиальная силовая схема устройства в первом такте работы; на фиг.3 - схема замещения предлагаемого устройства, поясняющая его работу в первом такте; на фиг.4 - схема замещения устройства, поясняющая его работу во втором такте; на фиг.5 - структурная схема блока управления, на фиг.6 - графики, полученные в результате моделирования работы устройства.
Структурная схема устройства для заряда накопительного конденсатора по фиг.1 содержит: трехфазный источник переменного тока 1 с тремя выходными клеммами 2, 3 и 4, к которым присоединены входы датчика трехфазного напряжения сети 5, выходы которого заведены на входы блока управления (БУ) 6, выходные клеммы источника переменного тока и присоединены к одним выводам соответствующих фазных индукторов 7 (фаза А), 8 (фаза В), 9 (фаза С), другие выводы индукторов 7, 8 и 9 соединены с одними выводами датчиков тока 10, 11 и 12 (реализация обратной связи по току), выходы которых заведены на другие входы БУ 6, другие выводы датчиков тока 10, 11, и 12 подключены к входу автономного трехфазного инвертора напряжения (АИН) 13, выполненного на полностью управляемых ключах (IGBT транзисторы) 14, 17, 19, 21, 23 и 25 с обратными диодами 15, 16, 18, 20, 22 и 24, к выходным клеммам инвертора 26 и 27 подключен емкостный накопитель 28, обкладки которого присоединены к входам датчика напряжения накопителя 29, с выхода которого сигнал соответствующий напряжению накопителя поступает в БУ 6, в БУ 6 поступают и сигналы задания величины напряжения накопителя с блока 30 и темпа заряда накопителя с блока 31.
Рассмотрение работы устройства следует проводить, разбирая два такта работы
Первый такт по принципиальной силовой схеме устройства (см. фиг.2) и схеме замещения (см. фиг.3). Для упрощения описания примем что, конденсатор 28 уже заряжен через обратные диоды ключей (цепь тока заряда, а следовательно, диоды, участвующие в переходном процессе заряда, определяются мгновенными значениями фазных напряжений сети, в момент подключения АИН 13 к сети переменного тока). Результатом переходного процесса станет наличие на обкладках конденсатора 28 напряжения, потенциал которого выше, чем амплитудные значения линейного напряжения сети и протекание тока через обратные диоды невозможно. С этого момента процессом заряда накопительной емкости управляет БУ 6.
БУ 6 управляет устройством с выполнением приоритетных требований:
- потребление из сети токов с формой, максимально приближенной к синусоидальной;
- коэффициент мощности устройства, близкий к единице;
- возможность обеспечения максимально возможного быстродействия процесса накопления энергии в накопителе.
Разберем процесс накопления энергии, за начало примем момент времени t1 , соответствующий моменту смены знака напряжения фазы А с отрицательной полуволны на положительную.
По фиг.3 рассмотрим первый такт работы устройства.
БУ 6 формирует управляющие импульсы на открытие транзисторов 17, 19 и 25. В результате образуются цепи для протекания системы трехфазных токов i2(t), i3(t), i4(t).
По фиг.3 цепью для тока i2 является 2-7-17-27-28-26-19-8-3, т.о. напряжение конденсатора 28 оказывается включенным согласно с линейным напряжением u23(t) (здесь и далее пунктиром изображен элемент, через который ток не протекает) и, как следствие, переходный процесс по току i2(t) характеризуется его ростом. Этот процесс можно описать уравнениями:
![]()
![]()
где С - емкость накопительного конденсатора 28;
iA(t)=i2(t) мгновенное значение тока фазы А;
RA - активное сопротивление индуктора 7 фазы А;
LA - индуктивность индуктора 7 фазы А;
LB - индуктивность индуктора 8 фазы В;
RB - активное сопротивление индуктора 8 фазы В;
uAB(t)=u23(t) - линейное сетевое напряжение между фазами АВ.
На фиг.3 показана цепь протекания тока i4(t) 4-9-25-27-28-26-19-8-3, т.о. напряжение конденсатора 28 оказывается включенным согласно с линейным напряжением U BC, как следствие, переходный процесс по току i4 (t) характеризуется его ростом. Этот процесс можно описать уравнениями:
![]()
![]()
где iC(t)=iA(t) мгновенное значение тока фазы С;
LC - индуктивность индуктора 9 фазы С;
RC - активное сопротивление индуктора 9 фазы С;
uBC(t)=u34(t) - линейное сетевое напряжение между фазами ВС.
По фиг.3 цепью для тока i3(t) является две параллельных ветви токов i 2(t) и i4(t), поэтому мгновенное значение тока i3(t) равно сумме этих токов:
![]()
Производные фактических токов фаз достаточно высоки, в результате они превысят заданный ток, БУ 6 отработает на уменьшение тока фаз, а именно отключит ключи 17, 19 и 25. Этот момент обозначен как t2.
С этого момента прекращается рост токов фаз, а энергия магнитного поля, накопленная в магнитном поле индукторов 7, 8 и 9, начинает поддерживать ток в том же направлении. Направление токов для фаз сохранится, но при этом изменится цепь их протекания в АИН. В этом случае цепями для передачи энергии магнитного поля индукторов являются обратные диоды ключей.
Рассмотрим второй такт работы устройства (см. фиг.4).
На фиг.4 показана цепь для протекания тока i2(t) 2-7-15-26-28-27-20-8-3, т.о. напряжение конденсатора 28 оказывается включенным встречно линейному напряжению u 23(t), как следствие, переходный процесс по току i 2(t) характеризуется его уменьшением. Этот процесс можно описать уравнениями:
![]()
![]()
По фиг.4 цепью для тока i4(t) является 4-9-22-26-28-27-20-8-3, т.о. напряжение конденсатора 28 оказывается включенным встречно линейному напряжению UBC, как следствие, переходный процесс но току i4(t) характеризуется его уменьшением. Этот процесс можно описать уравнениями:
![]()
![]()
По фиг.4 цепью для тока i3(t) являются две параллельные ветви токов i2(t) и i4(t), поэтому мгновенное значение тока i3(t) равно сумме этих токов по выражению (5).
Процесс заряда накопительной емкости 28 сопровождается снижением токов ниже заданных величин, БУ 6 работает на увеличение токов фаз, при этом выдает сигналы на открытие ключей 17, 19, и 25, далее процессы повторяются.
Энергетически процесс накопления электрической энергии в емкостном накопителе представляет собой следующие последовательные процессы: первый такт - накопление энергии в магнитном поле индукторов 7, 8 и 9, второй такт - отдача этой энергии в накопитель 28, т.е. преобразование энергии магнитного поля индукторов 7, 8 и 9 в энергию электрического поля конденсатора 28. За эти два такта в конденсаторе увеличится запасенная энергия на величину:
![]()
где
UC - приращение
напряжения на обкладках конденсатора 28.
В следующем такте накопления энергии в магнитном поле индукторов 7, 8 и 9 предыдущее
приращение
UC к напряжению
конденсатора 28 приведет к увеличению производных токов
, что в последующем такте отдачи приведет к увеличению отдаваемой энергии магнитного
поля индукторов 7,8 и 9. Следующее приращение
UC влияет на процесс аналогичным образом и так далее.
Таким образом, накопление характеризуется процессом «раскачки» системы индукторов 7, 8 и 9 накопителя 28, в котором каждый предыдущий такт накопления подпитывает последующий. Это позволяет сделать вывод о возможности полупериодного увеличения амплитуд токов фаз:
![]()
![]()
![]()
где
Im - приращение амплитуд
фазных токов.
В данном устройстве применен принцип накопления с неизменными амплитудами фазных токов, при этом функциональная зависимость напряжения емкости от времени uC(t) близка к гиперболе. Заданная амплитуда токов фаз определяет темп роста uC (t). В этом случае максимально возможное напряжение накопительного конденсатора, а и максимальная скорость накопления определяются допустимыми характеристиками элементов схемы устройства, таких как максимально допустимый ток транзисторов, частота коммутаций, максимально допустимое напряжение на емкости и т.д.
Рассмотрим работу БУ 6 (см. фиг.5). БУ 6 контролирует текущее значение напряжения на обкладках накопительной емкости 28, сравнивая сигнал, пропорциональный этому напряжению uCk(t), поступающий на вход 32, с заданной величиной U* C, поступающей на вход 33, в блоке сравнения 34 определяется разность (U* C-uCk(t)). Выход блока 34 присоединен к входу релейного блока 35, в котором происходит формирование логического сигнала блокировки подачи управляющих импульсов ключей АИН и отключения режима накопления на основании сравнения входной величины с заданной уставкой. Выход блока 35 заведен в СИФУ АИН 36. Темп заряда определяется величиной амплитуды токов фаз, сигнал пропорциональный амплитуде поступает из блока 31 на вход 37 БУ 6. Формирование заданных фазных токов выполняется по трем параллельным ветвям. Рассмотрим канал управления током фазы А. Заданием для каждой цепочки является задание амплитуды токов Im37, которое поступает на входы блоков умножения 38, 39 и 40. На второй вход блока 38 приходит сигнал с выхода блока преобразования 41, на вход 42 которого поступает сигнал пропорциональный напряжению фазы А. Коэффициентом блока 41 является отношение
![]()
где Um.oc. - амплитуда сигнала обратной связи фазного напряжения.
В результате на выходе блока 41 будет получен сигнал:
![]()
Т.о. на выходе блока 38:
![]()
Выход блока 38 приходит на вход блока сравнения 43, в котором величина заданного тока сравнивается с обратной связью по току 44 i2ist(t).
Выход блока 43 поступает в СИФУ АИН 36.
Аналогично работают каналы токов i3 *(t), i4 *(t).
При построении БУ 6 на базе микропроцессорной техники достигается высокое быстродействие, точность, универсальность и адаптивность устройства, что значительно расширяет сферу его применения.
На фиг.6 представлены результаты моделирования трехфазного управляемого емкостного накопителя с использованием программы MatLab R12 6.0 в пакете Simulink 4.0 с расширением Power System Blockset.
По фиг.6 за время моделирования 0,1 с напряжение на обкладках конденсатора емкостью 1000 мкФ, превысило амплитуду фазных напряжений более чем в 20 раз, при этом из сети потреблялся практически синусоидальный ток (время неуправляемого самопроизвольного заряда емкости в результате переходного процесса незначительно, оно составляет около 25% от полупериода питающего напряжения).
Таким образом, замена токоограничивающе-дозирующих конденсаторов на индукторы подпитки и использование вместо тиристоров в трехфазном двухполупериодном мостовом управляемом выпрямителе запираемых ключей и включенными параллельно с ними обратными диодами привела к изменению принципа накопления энергии в накопителе в отличие от прототипа. В результате представленное устройство обеспечивает высокую скорость заряда емкостного накопителя до напряжения превышающего амплитуду линейного напряжения сети на несколько порядков, что свидетельствует о высоких удельных энергетических показателях. Принципы построения БУ 6 позволяют реализовать в широком диапазоне плавное регулирование скорости заряда емкостного накопителя, при этом из сети потребляется ток практически синусоидальной формы, а использование индукторов вместо токоограничивающе-дозирующих конденсаторов повышает надежность устройства.
ИСТОЧНИКИ ИНФОРМАЦИИ
1. Устройство для зарядки накопительного конденсатора. Додотченко В.В., Николаев А.Г., Быстров В.К.; RU № 2071167 C1, 6 Н 03 К 3/53 1996.
2. Способ заряда емкостного накопителя электрической энергии и устройства для его осуществления (варианты). Николаев А.Г., Быстров В.К.; RU № 2218654 С2, Н 02 М 7/162, 2003.
ФОРМУЛА ИЗОБРЕТЕНИЯ
Устройство для заряда накопительного конденсатора, содержащее трехфазный источник питания, выходы которого подключены к одним выводам трех токоограничивающе-дозирующих элементов, другие выводы которых подключены к входам трехфазного мостового преобразователя, выходы которого подключены к накопительному конденсатору, блок управления, выходы которого соединены с управляющими входами трехфазного мостового преобразователя, отличающееся тем, что токоограничивающе-дозирующие элементы выполнены в виде катушек индуктивности, мостовой преобразователь выполнен в виде автономного инвертора напряжения на запираемых ключах, к выходам трехфазного источника питания дополнительно подключены входы трехфазного датчика сетевого напряжения, выходы которого подключены к одним входам блока управления, входы трехфазного мостового преобразователя дополнительно соединены со входами датчиков тока фаз, выходы которых соединены с другими входами блока управления, к выходу трехфазного мостового преобразователя подключен датчик напряжения емкостного накопителя, выход которого соединен с другим входом блока управления, к другому входу блока управления подключен выход блока задания величины напряжения накопителя, еще к одному входу блока управления подключен выход блока задания темпа заряда накопителя.
Версия для печати
Дата публикации 07.02.2007гг
Created/Updated: 25.05.2018
|






