| Начало раздела Производственные, любительские Радиолюбительские Авиамодельные, ракетомодельные Полезные, занимательные | Хитрости мастеру Электроника Физика Технологии Изобретения | Тайны космоса Тайны Земли Тайны Океана Хитрости Карта раздела | |
| Использование материалов сайта разрешается при условии ссылки (для сайтов - гиперссылки) | |||
Навигация: => | На главную/ Каталог патентов/ В раздел каталога/ Назад / |
|
ИЗОБРЕТЕНИЕ
Патент Российской Федерации RU2278280
![]()
СПОСОБ ПОЛУЧЕНИЯ ЭНЕРГИИ
Имя изобретателя: Логачев Виктор Григорьевич (RU); Логачев Сергей Викторович (RU); Логачев Игорь Викторович
Имя патентообладателя: Государственное образовательное учреждение высшего профессионального образования Тюменский государственный нефтегазовый университет
Адрес для переписки: 625000, г.Тюмень, ул. Володарского, 38, ТюмГНГУ, патентно-информационный отдел
Дата начала действия патента: 2002.10.25
Изобретение относится к теплоэнергетике. Способ получения энергии, включающий подготовку воды, нагревание воды в котле для получения насыщенного пара, получение перегретого пара в пароперегревателе, преобразование энергии пара во вращение паровой турбины, сопряженной с электрическим генератором, превращение отработанного пара в воду в конденсаторе потоком охлаждающей воды, извлечение из потока охлаждающей воды тепловой энергии в дополнительном теплообменнике путем воздействия на него снежной массой, преобразуемой в талую воду, которую используют в качестве котловой воды. Изобретение позволяет повысить КПД тепловой электростанции, снизить количество химических веществ, необходимых для подготовки котловой воды, и снизить химическое загрязнение водных объектов, включенных в технологический процесс.
ОПИСАНИЕ ИЗОБРЕТЕНИЯ
Изобретение относится к энергетике, а именно к производству электричества и тепла.
Известен способ получения электрической энергии, при котором подготавливают воду с использованием химических веществ, заливают ее в котел, превращая воду в насыщенный пар, пропускают этот пар через паронагреватель, получая перегретый пар, которым приводят во вращение паровую турбину, сопряженную с электрическим генератором (см. Паровые и газовые турбины / Под ред. Костюка. - М.: Энергоатомиздат, 1985, с.12-14).
Отработанный пар охлаждают в конденсаторе, превращают в воду, которую через вспомогательные устройства подают в котел.
Известно устройство для получения электрической энергии, содержащее котел, парогенератор, пароперегреватель, паровую турбину, генератор и конденсатор (см. Гутовский В.Н. Школьникам об энергетике. - М.: Изд-во "Просвещение", 1966, с.114).
Охлаждение конденсатора осуществляется потоком воды, перекачиваемой циркуляционными насосами из искусственных или естественных водоемов. Вода, прошедшая конденсатор, имеет температуру 20-28 градусов Цельсия. Тепловая энергия, содержащаяся в воде, охлаждающей конденсатор, бесполезно излучается в атмосферу и рассеивается в водных объектах. Потери энергии составляют более 55% от энергии, заключенной в сжигаемом топливе, что снижает коэффициент полезного действия (КПД) тепловой электростанции. Кроме того, значителен расход электроэнергии потребляемой циркуляционными насосами, перекачивающими воду для охлаждения конденсатора.
Из известных способов наиболее близким аналогом является способ получения энергии, включающий подготовку воды, нагревание воды в котле для получения насыщенного пара, получение перегретого пара в пароперегревателе, преобразование энергии пара во вращение паровой турбины, сопряженной с электрическим генератором, превращение отработанного пара в воду в конденсаторе потоком охлаждающей воды путем воздействия на него снежной массой, которую используют в качестве котловой воды (см. US 5829255, кл. F 01 К 19/10, 03.11.1998).
Недостатком известного способа является снижение КПД тепловой электростанции из-за прямого контакта снежной массы с паром, высокое количество химических веществ, необходимых для подготовки котловой воды, и высокое загрязнение водных объектов.
Техническим результатом, на достижение которого направлено настоящее изобретение, является устранение вышеуказанных недостатков.
Указанный технический результат достигается тем, что в способе получения энергии, включающем подготовку воды, нагревание воды в котле для получения насыщенного пара, получение перегретого пара в пароперегревателе, преобразование энергии пара во вращение паровой турбины, сопряженной с электрическим генератором, превращение отработанного пара в воду в конденсаторе потоком охлаждающей воды, извлечение из потока охлаждающей воды тепловой энергии осуществляется в дополнительном теплообменнике путем воздействия на него снежной массой, преобразуемой в талую воду, которую используют в качестве котловой воды.
Указанный технический результат достигается и тем, что часть талой воды предварительно замораживают и в последующем используют ее в качестве котловой воды и/или охлаждающей конденсатор воды.
Указанный технический результат достигается и тем, что перед использованием талой воды в качестве котловой и/или охлаждающей конденсатор ее предварительно очищают.
Между заявляемым техническим результатом и существенными признаками изобретения существует следующая причинно-следственная связь. Именно возможность использования снеговой талой воды, получаемой, например от утилизации снега, в процессе получения товарной тепловой и электрической энергий дает возможность снизить их себестоимость за счет сокращения затрат на химическую подготовку воды, так как природная снеговая вода наиболее полно отвечает основным требованиям по химическому составу, предъявляемым к водам, которые используются в котлах для получения технологического пара. Сокращение необходимого объема кислот, используемых в Н-катионовых и ОН-анионовых фильтрах, и других ингредиентов, используемых при обессоливании воды, не только сокращает финансовые затраты, но и снижают вредное воздействие на окружающую среду. Повышение КПД становится возможным за счет значительного сокращения электрической энергии, используемой для перекачки воды, а и за счет обеспечения работы энергоустановки в оптимальном режиме, что достигается повышением эффективности охлаждения пара водой, имеющей низкую температуру, что дает возможность снизить необходимый объем охлаждающей воды. Использование энергии потока воды, охлаждающей конденсатор для получения котловой воды, и выработки дополнительного количества энергии, которую можно использовать в технологическом процессе получения энергии, например для питания оборудования подготовки и транспортировки котловой воды, сокращение затрат энергии на собственные нужды тепловой электростанции дает возможность увеличить выход товарной энергии и, следовательно, КПД.
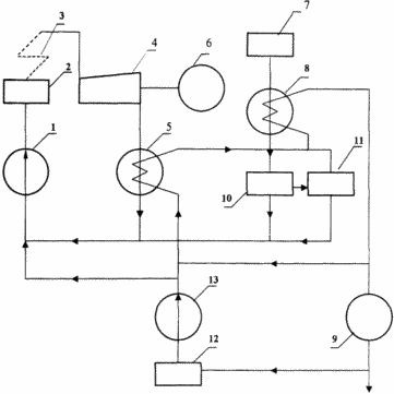
На чертеже приведена схема устройства для осуществления способа получения энергии.
![]() | Устройство для получения энергии включает насос 1, котел 2, связанный с пароперегревателем 3, выход которого подключен к паровой турбине 4, связанной с конденсатором 5 и сопряженной с генератором 6, источник снежной массы 7, дополнительный теплообменник 8, вход которого гидравлически соединен с выходом конденсатора 5. Для преобразования кинетической энергии потока охлаждающей воды, прошедшей конденсатор, устройство содержит, по меньшей мере, одно средство 9 для преобразования этой энергии в другие виды энергии, например гидрогенератор. Устройство содержит и, по меньшей мере, один блок очистки талой воды 10, связанный с, по меньшей мере, одним изотермическим складом 11, предназначенным для замораживания части снеговой талой воды, выход которого гидравлически связан с входом насоса 1 и/или с входом конденсатора 5. |
УСТРОЙСТВО ДЛЯ ОСУЩЕСТВЛЕНИЯ СПОСОБА ПОЛУЧЕНИЯ ЭНЕРГИИ
РАБОТАЕТ СЛЕДУЮЩИМ ОБРАЗОМ
В начале технологического цикла из водного объекта 12 насосом 13 осуществляют подачу воды в блок химподготовки (не показан). Подготовленную воду подают насосом 1 в котел 2, где нагревают для получения насыщенного пара, который пропускают через пароперегреватель 3 и воздействуют перегретым паром на паровую турбину 4, сопряженную с генератором 6, вырабатывающим электрическую энергию. Отработанный пар превращают в воду в конденсаторе 5 за счет охлаждения конденсатора потоком воды, перекачиваемой насосом 13 из водного объекта 12. Затем из потока охлаждающей воды, прошедшей конденсатор 5 и обладающей остаточной тепловой и кинетической энергией, извлекают тепловую энергию, пропуская указанный поток через дополнительный теплообменник 8, путем воздействия на него снежной массой из источника 7, который, например, можно образовать путем складирования снега, убираемого с улиц и т.п. Полученную в дополнительном теплообменнике 8 снеговую талую воду очищают в блоке очистки талой воды 10 и используют ее в качестве котловой воды, подавая через вспомогательные средства (например, устройства запорной арматуры) насосом 1 в котел 2. Поток охлажденной воды, прошедший через дополнительный теплообменник 8, направляют для охлаждения конденсатора 5.
Для осуществления способа в теплый период времени (температура окружающего воздуха - положительна) часть талой воды предварительно превращают в лед (замораживают за счет естественного зимнего холода) и хранят, например, в изотермическом складе 11. В теплом периоде осуществляют регулируемое таяние льда за счет естественного тепла или технологического тепла, например тепловой энергии конденсатора 5, и используют полученную талую воду в качестве котловой воды и/или охлаждающей конденсатор 5.
Из охлаждающего потока воды, прошедшей конденсатор 5, извлекают кинетическую энергию, для преобразования которой в другие виды энергии используют средство 9, например гидрогенератор.
Предлагаемый способ получения энергии не нарушает стандартный технологический цикл. При применении предлагаемого решения появляется возможность многоступенчатого использования воды для охлаждения конденсатора без сложных сооружений типа градирен. Использование естественного холода и тепла для осуществления технологического процесса получения котловой воды дает возможность существенно повысить КПД тепловых электростанций, использующих конденсаторы. Использование природной снеговой воды дает возможность снизить количество химических веществ, необходимых для подготовки котловой воды, и снизить химическое загрязнение водных объектов, включенных в технологический процесс. Полезное использование тепловой энергии потока воды, прошедшей конденсатор, имеющей сравнительно низкую температуру, решает проблему утилизации снега, что повышает эффективность заявленного способа и устройства и создает предпосылки для решения проблемы сохранения климата в регионе.
ФОРМУЛА ИЗОБРЕТЕНИЯ
1. Способ получения энергии, включающий подготовку воды, нагревание воды в котле для получения насыщенного пара, получение перегретого пара в пароперегревателе, преобразование энергии пара во вращение паровой турбины, сопряженной с электрическим генератором, превращение отработанного пара в воду в конденсаторе потоком охлаждающей воды, извлечение из потока охлаждающей воды тепловой энергии в дополнительном теплообменнике путем воздействия на него снежной массой, преобразуемой в талую воду, которую используют в качестве котловой воды.
2. Способ по п.1, отличающийся тем, что часть талой воды предварительно замораживают и в последующем используют ее в качестве котловой воды и/или охлаждающей конденсатор воды.
3. Способ по п.1, отличающийся тем, что перед использованием талой воды в качестве котловой и/или охлаждающей конденсатор ее предварительно очищают.
Версия для печати
Дата публикации 08.01.2007гг
Created/Updated: 25.05.2018
|

