Cтворений для пошуку...
MENU
РОЗВАГИ
Аудіонаркотики
Відео-Чат
Ігри
Басейни
Ковзанки
Приколи
Рибалка
Спілкування
СМС
Тести
Теніс
Флеш Ігри
Хокей
Футбол
Чат
НАУКА
Apple
Авто-Мото
Бібліотека
Всяко-різно
Веб-розробка
Електрика
Менеджмент
Наука
ПК Допомога
Мапи та Путівники
Студентам
Словники
PSP + PS3
Термінали
Технології
Хакерство
Штучний інтелект
КОРИСНО
Здоров'я
Гороскопи
Довідніки
Зароби
Індекси
Квіти
Київ
Магазин
Мобільний
Музика
Програми
Фінанси
Сонник
Тварини
Хітрості
Нумізматіка
Ціни на бензин
MENU
На сайті:
F.A.Q.
Допомога
Новини
Форум
IMG to WEBp
Контакти
special
#StandWith
Ukraine
|
ERROR: Block not found Enemy losses on
1391th
day of War in Ukraine
HOME
Хитрости и Изобретения - Lifehacks
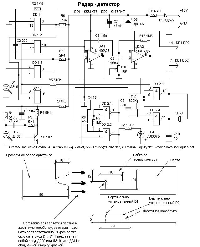
детектор радара - схема, антирадар - изготовление
Изготовление детектора радара
Изготовление детектора радара
Внимание ! Вся платная и бесплатная информация на этом сайте, представлена исключительно в познавательных целях.
Автор сайта не несёт ни какой ответственности за любые возможные последствия пользования донной информацией.
Электрическая схема детектора радара.
Created/Updated: 25.05.2018
Back
';>